Fabricantes desde 1958
Ruedas Alex

SERIE 121-121 TW0039

Ver Comparativa
Código: TW0039

Ruedas de goma elástica azul. Especialmente indicada para soportar cargas hasta 130 Kg.

Se aplica en útiles de transporte logístico, talleres, carros de herramientas, carros tubulares, logística interna, fabricas neumáticos, logística interna, útiles de transporte, carros de transporte de alimentación, cocina, cantina, comedor, supermercados, contenedores, roll-tainers, roll-palets, jaulas de transporte, cajas audio sonido, gradas móviles.

Aplicadas en proyectos de ingeniería mecánica por delineantes y proyectistas.

TWIN-LEX 121: No mancha el suelo. Gran absorción de golpes y vibraciones. Ruedas suaves y silenciosas. Elástica.

Componentes

Soporte

Chapa de acero embutida. Acabado cincado brillante. Pletina giratoria o fija. Con doble rodamiento de bolas. Cojinetes: Rodillos. Protector antipolvo.

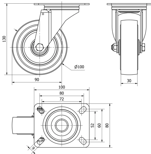
Datos técnicos TW0039

EAN:
8422202000398
Tipo Soporte:
Giratorio
Tipo Fijación:
Platina
Tipo Freno:
Sin Freno
Material:
Goma
Cojinete:
Rodillos
Diámetro (mm):
100
Ancho de banda (mm):
30
Medidas de la placa (mm):
102x80
Distancia entre agujeros (mm):
80x60/72x52
Diámetro agujero (mm):
8
Radio de giro (mm):
83
Altura total (mm):
130
Capacidad de carga (kg):
100
Peso Unitario de la rueda (kg):
0,75
Volumen (cm3):
1393,6
Datos técnicos TW0039

Área Privada

Regístrate
Descargar en formatos 3D
Descargar en formatos 2D
DWG
Descargar PDF
PDF
Precio
--

Productos Similares

Contactar

Contacta con nosotros

Envíenos el siguiente formulario y nos pondremos en contacto con usted para atender su consulta.

Información de contacto:
Email: info@alex.es
Teléfono: (+34) 974 035 345
Horario:
Lunes a Viernes: 8-14h / 15-18h
Sábado y domingo: Cerrado
Responsable: Ruedas Alex, S.L.U, siendo la Finalidad: gestionar el contacto entre cualquier interesado y nuestros servicios de atención. La Legitimación: es gracias a tu consentimiento. Destinatarios: no se comunicarán los datos personales a ningún tercero. Podrás efercer Tus Derechos de Acceso, Rectificación, Supresión, Limitación, Oposición y Portabilidad en rgpd@alex.es. Para más información consulte la Política de Privacidad.

Manténgase informado de todas las novedades, ofertas y promociones que tenemos preparadas para usted.