Fabricantes desde 1958
Ruedas Alex

SERIE 120-120 TW0028

Ver Comparativa
Código: TW0028

Ruedas de núcleo de metálico con banda de goma negra. Especialmente indicada para soportar cargas hasta 205 Kg.

Se aplica en carros de herramientas, carros tubulares, logística interna, gradas móviles, útiles d transporte, plataformas elevadoras, talleres, logística material misiones, restaurantes, barredoras, pulidoras, soldadura, hormigoneras, grúas móviles, remolques, granjas agrícolas,

mesas elevadoras, roll-palets, roll-tainers, contenedores.

TWIN-LEX 120: ruedas suaves y silenciosas. Maxima protección de los suelos. Absorción de golpes y vibraciones.

Componentes

Soporte

Chapa de acero embutida Acabado cincado brillante. Pletina giratoria o fija. Con doble rodamiento de bolas. Cojinetes: Rodillos. Protector antipolvo. Incorpora anti-hilos.

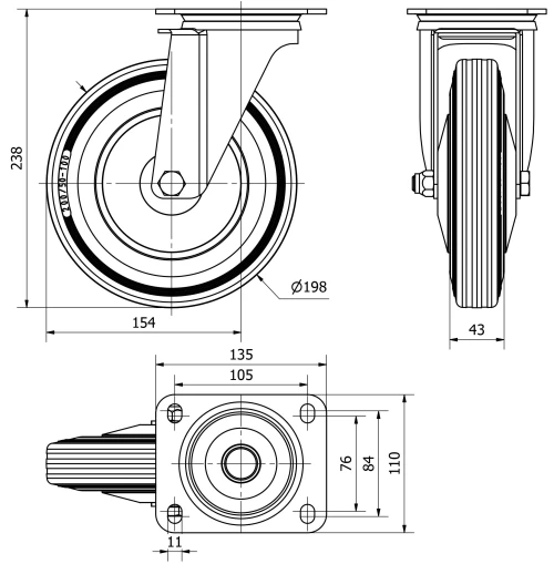
Datos técnicos TW0028

EAN:
8422202000282
Tipo Soporte:
Giratorio
Tipo Fijación:
Platina
Tipo Freno:
Sin Freno
Material:
Goma
Cojinete:
Rodillos
Diámetro (mm):
200
Ancho de banda (mm):
50
Medidas de la placa (mm):
135x110
Distancia entre agujeros (mm):
105x80
Diámetro agujero (mm):
10
Radio de giro (mm):
150
Altura total (mm):
240
Capacidad de carga (kg):
205
Peso Unitario de la rueda (kg):
2,91
Volumen (cm3):
5694,15
Datos técnicos TW0028

Área Privada

Regístrate
Descargar en formatos 3D
Descargar en formatos 2D
DWG
Descargar PDF
PDF
Precio
--

Productos Similares

Contactar

Contacta con nosotros

Envíenos el siguiente formulario y nos pondremos en contacto con usted para atender su consulta.

Información de contacto:
Email: info@alex.es
Teléfono: (+34) 974 035 345
Horario:
Lunes a Viernes: 8-14h / 15-18h
Sábado y domingo: Cerrado
Responsable: Ruedas Alex, S.L.U, siendo la Finalidad: gestionar el contacto entre cualquier interesado y nuestros servicios de atención. La Legitimación: es gracias a tu consentimiento. Destinatarios: no se comunicarán los datos personales a ningún tercero. Podrás efercer Tus Derechos de Acceso, Rectificación, Supresión, Limitación, Oposición y Portabilidad en rgpd@alex.es. Para más información consulte la Política de Privacidad.

Manténgase informado de todas las novedades, ofertas y promociones que tenemos preparadas para usted.