Fabricantes desde 1958
Ruedas Alex

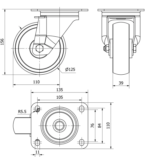
SERIE 110-110 TW0022

Ver Comparativa
Código: TW0022

Ruedas de polipropileno blanco, especialmente indicada para soportar cargas hasta 280 Kg.

Se aplica en útiles de transporte logístico, área de exteriores, salas blancas, logística interna, gradas móviles, plataformas elevadoras, carros de transporte, principalmente en sectores industriales, roll-tainers.

Twin-lex 110: Indeformable, ligera de peso, resistente a los golpes y limpia.

Componentes

Soporte

Chapa de acero embutida. Acabado cincado brillante. Pletina giratoria o fija. Con doble rodamiento de bolas. Cojinetes: Rodillos.

Datos técnicos TW0022

EAN:
8422202000220
Tipo Soporte:
Giratorio
Tipo Fijación:
Platina
Tipo Freno:
Sin Freno
Material:
Polipropileno-Plastico
Cojinete:
Rodillos
Diámetro (mm):
125
Ancho de banda (mm):
40
Medidas de la placa (mm):
135x110
Distancia entre agujeros (mm):
105x85/75
Diámetro agujero (mm):
10
Radio de giro (mm):
98
Altura total (mm):
156
Capacidad de carga (kg):
280
Peso Unitario de la rueda (kg):
1,5
Volumen (cm3):
2839,98
Datos técnicos TW0022

Área Privada

Regístrate
Descargar en formatos 3D
Descargar en formatos 2D
DWG
Descargar PDF
PDF
Precio
--

Productos Similares

Contactar

Contacta con nosotros

Envíenos el siguiente formulario y nos pondremos en contacto con usted para atender su consulta.

Información de contacto:
Email: info@alex.es
Teléfono: (+34) 974 035 345
Horario:
Lunes a Viernes: 8-14h / 15-18h
Sábado y domingo: Cerrado
Responsable: Ruedas Alex, S.L.U, siendo la Finalidad: gestionar el contacto entre cualquier interesado y nuestros servicios de atención. La Legitimación: es gracias a tu consentimiento. Destinatarios: no se comunicarán los datos personales a ningún tercero. Podrás efercer Tus Derechos de Acceso, Rectificación, Supresión, Limitación, Oposición y Portabilidad en rgpd@alex.es. Para más información consulte la Política de Privacidad.

Manténgase informado de todas las novedades, ofertas y promociones que tenemos preparadas para usted.