Fabricantes desde 1958
Ruedas Alex

SERIE N-PGI 1-0773

Ver Comparativa
Código: 1-0773

Ruedas de Goma gris inyectada. Especialmente indicada para soportar cargas hasta 60 Kg por rueda. Su uso es aplicable en: pequeños muebles, camas nido, canapés, mesas de noche, cajoneras, sofás, mobiliario de decoración.

PGI: No ralla el suelo. Silenciosa y no deja huella, respetuosa con el parquet, indeformables.

Componentes

Soporte

Fabricada con chapa de acero o poliamix de hasta 2mm de espesor. Ruedas de Goma de 25,30, 40, 50 de diametro. Ruedas silenciosas, no dejan huella, respetuosas con el suelo de parquet, indeformables, resistentes y de fácil desplazamiento. Fabricadas según norma Europeas EN 12528.

Aro

Núcleo de poliamix y banda de goma gris

Rango de temperatura: -20º ÷ +60º

Facilidad de desplazamiento Bueno
Ruido durante la marcha Muy bueno
Protección del suelo Muy bueno

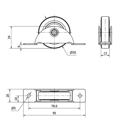
Datos técnicos 1-0773

EAN:
8422202107738
Tipo Soporte:
Fijo
Tipo Fijación:
Platina
Tipo Freno:
Sin Freno
Material:
Acero
Cojinete:
Liso
Diámetro (mm):
50
Ancho de banda (mm):
13
Altura total (mm):
34
Capacidad de carga (kg):
60
Datos técnicos 1-0773

Área Privada

Regístrate
Descargar en formatos 3D
Descargar en formatos 2D
DWG
Descargar PDF
PDF
Precio
--

Productos Similares

Contactar

Contacta con nosotros

Envíenos el siguiente formulario y nos pondremos en contacto con usted para atender su consulta.

Información de contacto:
Email: info@alex.es
Teléfono: (+34) 974 035 345
Horario:
Lunes a Viernes: 8-14h / 15-18h
Sábado y domingo: Cerrado
Responsable: Ruedas Alex, S.L.U, siendo la Finalidad: gestionar el contacto entre cualquier interesado y nuestros servicios de atención. La Legitimación: es gracias a tu consentimiento. Destinatarios: no se comunicarán los datos personales a ningún tercero. Podrás efercer Tus Derechos de Acceso, Rectificación, Supresión, Limitación, Oposición y Portabilidad en rgpd@alex.es. Para más información consulte la Política de Privacidad.

Manténgase informado de todas las novedades, ofertas y promociones que tenemos preparadas para usted.