Fabricantes desde 1958
Ruedas Alex

SERIE B-PUA 2-3516

Ver Comparativa
Código: 2-3516

Ruedas azules de poliuretano inyectado blando especialmente indicado para soportar cargas hasta 40 Kg.

Se aplica en expositores, muebles, estanterías, taburetes, percheros, carros de hostelería, ebanisterías, stands, carros de limpieza, mesas de ordenador, pequeño mobiliario, mesillas de noche.

PUA: Silenciosa, elástica, no ensucia, de fácil desplazamiento.

Componentes

Soporte

Fabricada con chapa de acero embutida hasta 2 mm de espesor. Soporte con rodamiento a bolas. Acabado cincado. Ruedas de goma de 30 a 60 de diámetro con protectores incluidos de serie. Fabricadas según normas europeas EN 12528.

Aro

Núcleo de poliamix negro y banda de poliuretano azul

Rango de temperatura: -25º ÷ +80º

Facilidad de desplazamiento Bueno
Ruido durante la marcha Muy bueno
Protección del suelo Muy bueno

Datos técnicos 2-3516

EAN:
8422202235165
Tipo Soporte:
Giratorio
Tipo Fijación:
Agujero pasante
Tipo Freno:
Sin Freno
Material:
Poliuretano
Temperatura Mínima (ºC):
20
Temperatura Máxima (ºC):
60
Dureza del bandaje:
80º SHORE A
Cojinete:
Liso
Color:
Azul
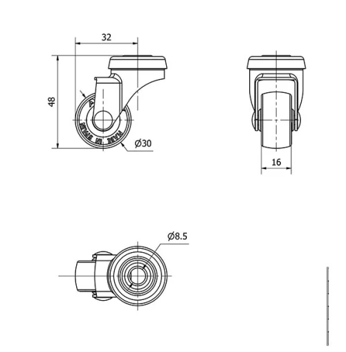
Diámetro (mm):
30
Ancho de banda (mm):
16
Diámetro agujero (mm):
8
Radio de giro (mm):
32
Altura total (mm):
48
Capacidad de carga (kg):
15
Volumen (cm3):
74
Datos técnicos 2-3516

Área Privada

Regístrate
Descargar en formatos 3D
Descargar en formatos 2D
DWG
Descargar PDF
PDF
Precio
--
Contactar

Contacta con nosotros

Envíenos el siguiente formulario y nos pondremos en contacto con usted para atender su consulta.

Información de contacto:
Email: info@alex.es
Teléfono: (+34) 974 035 345
Horario:
Lunes a Viernes: 8-14h / 15-18h
Sábado y domingo: Cerrado
Responsable: Ruedas Alex, S.L.U, siendo la Finalidad: gestionar el contacto entre cualquier interesado y nuestros servicios de atención. La Legitimación: es gracias a tu consentimiento. Destinatarios: no se comunicarán los datos personales a ningún tercero. Podrás efercer Tus Derechos de Acceso, Rectificación, Supresión, Limitación, Oposición y Portabilidad en rgpd@alex.es. Para más información consulte la Política de Privacidad.

Manténgase informado de todas las novedades, ofertas y promociones que tenemos preparadas para usted.