Fabricantes desde 1958
Ruedas Alex

SERIE HP-PUA 1-0771

Ver Comparativa
Código: 1-0771

Ruedas de poliuretano inyectado azul, especialmente indicada para soportar altas cargas hasta 30 Kg.

Se aplica en expositores, sector mobiliario, restauración, muebles comerciales, carros de suero, taburetes, mobiliario, restauración, sala de partos, útiles de hospitales, mobiliario clínico sanitario, porta goteros, carros móviles.

PUA: Silenciosa, elástica, no ensucia, de fácil desplazamiento.

Componentes

Soporte

Soporte con placa y espiga roscada, con y sin freno. Freno ergonómico redondeado con retorno integrado. Fabricadas en poliamix reforzado. Diseñadas epecialmente para el sector mobiliario y restauración. Color personalizado opcional. Fabricadas según normas europeas EN 12528.  

Aro

Núcleo de poliamix negro y banda de poliuretano azul

Rango de temperatura: -25º ÷ +80º

Facilidad de desplazamiento Bueno
Ruido durante la marcha Muy bueno
Protección del suelo Muy bueno

Datos técnicos 1-0771

EAN:
8422202107714
Tipo Soporte:
Giratorio
Tipo Fijación:
Espiga roscada
Tipo Freno:
Freno Rueda
Material:
Poliuretano
Cojinete:
Liso
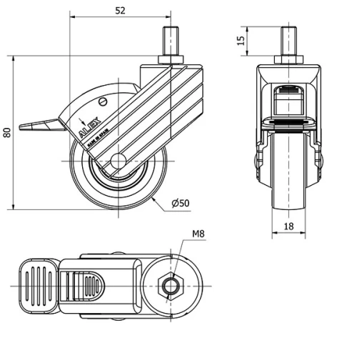
Diámetro (mm):
50
Ancho de banda (mm):
18
Medidas Espiga:
M8x15
Radio de giro (mm):
52
Altura total (mm):
80
Capacidad de carga (kg):
30
Peso Unitario de la rueda (kg):
0,08
Volumen (cm3):
324
Datos técnicos 1-0771

Área Privada

Regístrate
Descargar en formatos 3D
Descargar en formatos 2D
DWG
Descargar PDF
PDF
Precio
--

Productos Similares

Contactar

Contacta con nosotros

Envíenos el siguiente formulario y nos pondremos en contacto con usted para atender su consulta.

Información de contacto:
Email: info@alex.es
Teléfono: (+34) 974 035 345
Horario:
Lunes a Viernes: 8-14h / 15-18h
Sábado y domingo: Cerrado
Responsable: Ruedas Alex, S.L.U, siendo la Finalidad: gestionar el contacto entre cualquier interesado y nuestros servicios de atención. La Legitimación: es gracias a tu consentimiento. Destinatarios: no se comunicarán los datos personales a ningún tercero. Podrás efercer Tus Derechos de Acceso, Rectificación, Supresión, Limitación, Oposición y Portabilidad en rgpd@alex.es. Para más información consulte la Política de Privacidad.

Manténgase informado de todas las novedades, ofertas y promociones que tenemos preparadas para usted.