Fabricantes desde 1958
Ruedas Alex

SERIE GAMING 3-0909

Ver Comparativa
Código: 3-0909

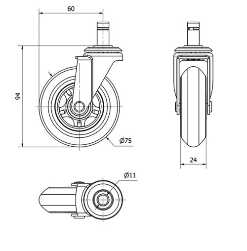
Ruedas universales de poliuretano transparente, diseñadas para una instalación rápida y sencilla. Cuentan con soporte de acero negro y están recomendadas para cargas de hasta 40 kg por rueda.

Se aplica en sillas de oficina, sillas gaming, expositores, mobiliario comercial, taburetes y aplicaciones en restauración.

El aro de poliuretano transparente no raya ni mancha el suelo y es apto para todo tipo de superficies, garantizando un desplazamiento suave y silencioso.

Se suministra en caja de 5 unidades. Consultar.

Componentes

Soporte

Fabricadas con espiga 11x22 mm y sistema giratorio 360º, nuestras ruedas Gaming cuentan con un diámetro de 75 mm y están elaboradas en poliuretano transparente. Son silenciosas, no rayan el suelo y permiten un desplazamiento suave en todo tipo de superficies.

Datos técnicos 3-0909

EAN:
8422202309095
Tipo Soporte:
Giratorio
Tipo Fijación:
Espiga
Tipo Freno:
Sin Freno
Material:
Poliuretano
Dureza del bandaje:
80º SHORE A
Cojinete:
Bolas
Color:
Transparente
Diámetro (mm):
75
Ancho de banda (mm):
24
Medidas Espiga:
22
Diámetro agujero (mm):
11
Radio de giro (mm):
60
Altura total (mm):
94
Capacidad de carga (kg):
40
Datos técnicos 3-0909

Área Privada

Regístrate
Descargar en formatos 3D
Descargar en formatos 2D
DWG
Descargar PDF
PDF
Precio
--
Contactar

Contacta con nosotros

Envíenos el siguiente formulario y nos pondremos en contacto con usted para atender su consulta.

Información de contacto:
Email: info@alex.es
Teléfono: (+34) 974 035 345
Horario:
Lunes a Viernes: 8-14h / 15-18h
Sábado y domingo: Cerrado
Responsable: Ruedas Alex, S.L.U, siendo la Finalidad: gestionar el contacto entre cualquier interesado y nuestros servicios de atención. La Legitimación: es gracias a tu consentimiento. Destinatarios: no se comunicarán los datos personales a ningún tercero. Podrás efercer Tus Derechos de Acceso, Rectificación, Supresión, Limitación, Oposición y Portabilidad en rgpd@alex.es. Para más información consulte la Política de Privacidad.

Manténgase informado de todas las novedades, ofertas y promociones que tenemos preparadas para usted.