Fabricantes desde 1958
Ruedas Alex

SERIE HP-PGI 2-5215

Ver Comparativa
Código: 2-5215

Ruedas de poliamix y goma negra. Especialmente indicadas para soportar cargas hasta 40 Kg. Nuestra gama de ruedas de la serie HP-PGI está recomendada para los sectores de media capacidad de carga. Su uso es aplicable en: expositores, muebles, taburetes, restauración, hospitales, útiles, portagoteros, mobiliario clínico sanitario, goteros, carros de limpieza.

PGI: No ralla ni mancha el suelo. Apta para todo tipo de superficies

Componentes

Soporte

Fabricada en poliamix reforzado Aros: núcleo de poliamix y banda de goma o material especial conductivo Freno ergonómico redondeado con retorno integrado Soporte con placa giratoria, con espiga (lisa o roscada), disponible con o sin freno. Color personalizado opcional.

Aro

Núcleo de poliamix y banda de goma gris

Rango de temperatura: -20º ÷ +60º

Facilidad de desplazamiento Bueno
Ruido durante la marcha Muy bueno
Protección del suelo Muy bueno

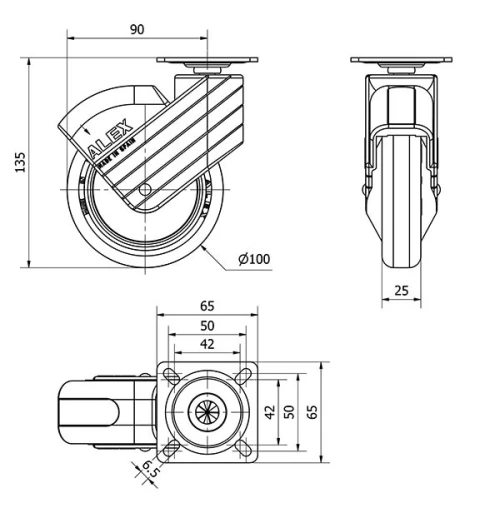
Datos técnicos 2-5215

EAN:
8422202252155
Tipo Soporte:
Giratorio
Tipo Fijación:
Platina
Tipo Freno:
Sin Freno
Material:
Goma
Temperatura Mínima (ºC):
20
Temperatura Máxima (ºC):
60
Cojinete:
Liso
Color:
Gris
Diámetro (mm):
100
Ancho de banda (mm):
25
Medidas de la placa (mm):
65x65
Distancia entre agujeros (mm):
50x50
Diámetro agujero (mm):
6
Radio de giro (mm):
90
Altura total (mm):
135
Capacidad de carga (kg):
40
Datos técnicos 2-5215

Área Privada

Regístrate
Descargar en formatos 3D
Descargar en formatos 2D
DWG
Descargar PDF
PDF
Precio
--

Productos Similares

Contactar

Contacta con nosotros

Envíenos el siguiente formulario y nos pondremos en contacto con usted para atender su consulta.

Información de contacto:
Email: info@alex.es
Teléfono: (+34) 974 035 345
Horario:
Lunes a Viernes: 8-14h / 15-18h
Sábado y domingo: Cerrado
Responsable: Ruedas Alex, S.L.U, siendo la Finalidad: gestionar el contacto entre cualquier interesado y nuestros servicios de atención. La Legitimación: es gracias a tu consentimiento. Destinatarios: no se comunicarán los datos personales a ningún tercero. Podrás efercer Tus Derechos de Acceso, Rectificación, Supresión, Limitación, Oposición y Portabilidad en rgpd@alex.es. Para más información consulte la Política de Privacidad.

Manténgase informado de todas las novedades, ofertas y promociones que tenemos preparadas para usted.