Fabricantes desde 1958
Ruedas Alex

SERIE HC-PGAIB 2-4642

Ver Comparativa
Código: 2-4642

Rueda de goma termoplástica gris inyectada. Soporte fabricado en poliamida de alta calidad endurecida con fibra de vidrio. Cabezal giratorio superior construido en doble hilera de bolas endurecidas (fijación placa y agujero pasante) y cojinete de bolas de precisión insertado (fijación espiga roscada). Especialmente indicadas para soportar cargas hasta 100 Kg.

Es utilizada en mobiliario clínico-sanitario, salas de operaciones, quirófanos, camas, usos hospitalarios, restauración, cocinas, supermercados.

PGAIB: Silenciosa, absorbe las vibraciones. No dejan huella en los pavimentos. Fácil desplazamiento.

Componentes

Soporte

Fabricada en poliamida de alta calidad endurecida con fibra de vidrio. Cabezal giratorio superior construido en doble hilera de bolas endurecidas (fijación placa y agujero pasante). Cojinete de bolas de precisión insertado (fijación espiga roscada) Fabricadas según normas europeas EN 12530.

Aro

Núcleo de poliamix y banda de goma termoplástica

Rango de temperatura: -20º ÷ +60º

Facilidad de desplazamiento Bueno
Ruido durante la marcha Muy bueno
Protección del suelo Muy bueno

Datos técnicos 2-4642

EAN:
8422202246420
Tipo Soporte:
Giratorio
Tipo Fijación:
Platina
Tipo Freno:
Freno Rueda y Soporte
Material:
Goma
Temperatura Mínima (ºC):
-20
Temperatura Máxima (ºC):
60
Dureza del bandaje:
90º SHORE A
Cojinete:
Bolas
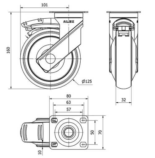
Diámetro (mm):
125
Ancho de banda (mm):
32
Medidas de la placa (mm):
80x70
Distancia entre agujeros (mm):
60x50
Diámetro agujero (mm):
10
Radio de giro (mm):
101
Altura total (mm):
160
Capacidad de carga (kg):
100
Datos técnicos 2-4642

Área Privada

Regístrate
Descargar en formatos 3D
Descargar en formatos 2D
DWG
Descargar PDF
PDF
Precio
--

Productos Similares

Contactar

Contacta con nosotros

Envíenos el siguiente formulario y nos pondremos en contacto con usted para atender su consulta.

Información de contacto:
Email: info@alex.es
Teléfono: (+34) 974 035 345
Horario:
Lunes a Viernes: 8-14h / 15-18h
Sábado y domingo: Cerrado
Responsable: Ruedas Alex, S.L.U, siendo la Finalidad: gestionar el contacto entre cualquier interesado y nuestros servicios de atención. La Legitimación: es gracias a tu consentimiento. Destinatarios: no se comunicarán los datos personales a ningún tercero. Podrás efercer Tus Derechos de Acceso, Rectificación, Supresión, Limitación, Oposición y Portabilidad en rgpd@alex.es. Para más información consulte la Política de Privacidad.

Manténgase informado de todas las novedades, ofertas y promociones que tenemos preparadas para usted.