Fabricantes desde 1958
Ruedas Alex

SERIE BHA-UT 2-4801

Ver Comparativa
Código: 2-4801

Ruedas de poliamix blanco. Especialmente indicadas para soportar cargas hasta 100 Kg.

Es utilizada en carros de transporte alimentación, cocina, cantina, comedor, restaurantes, factorías de alimentación, supermercados, carros de limpieza, camas.

UT: Indeformable y resistente.Fácil arranque y deslizamiento.

Componentes

Soporte

Fabricada con chapa de acero hasta 2 m/m de espesor. Soporte con doble rodamiento a bolas de gran tamaño. Acabado cincado brillante. Fabricadas según normas europeas EN 12530.

Datos técnicos 2-4801

EAN:
8422202248011
Tipo Soporte:
Giratorio
Tipo Fijación:
Agujero pasante
Tipo Freno:
Freno Rueda y Soporte
Material:
Poliamix
Temperatura Mínima (ºC):
-20
Temperatura Máxima (ºC):
60
Dureza del bandaje:
65º SHORE D
Cojinete:
Rodillos
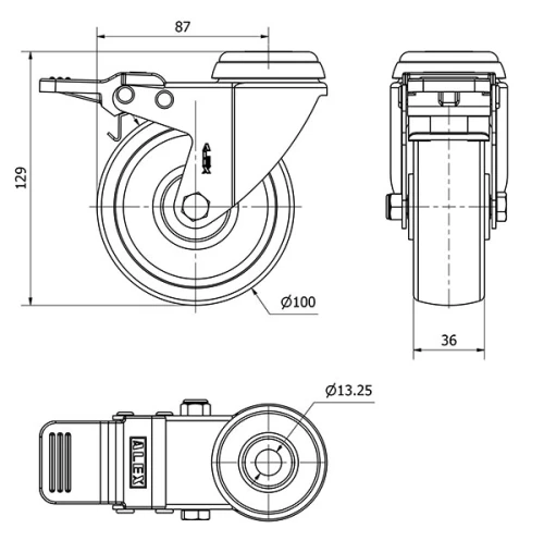
Diámetro (mm):
100
Ancho de banda (mm):
34
Diámetro agujero (mm):
12
Radio de giro (mm):
87
Altura total (mm):
129
Capacidad de carga (kg):
90
Datos técnicos 2-4801

Área Privada

Regístrate
Descargar en formatos 3D
Descargar en formatos 2D
DWG
Descargar PDF
PDF
Precio
--

Productos Similares

Contactar

Contacta con nosotros

Envíenos el siguiente formulario y nos pondremos en contacto con usted para atender su consulta.

Información de contacto:
Email: info@alex.es
Teléfono: (+34) 974 035 345
Horario:
Lunes a Viernes: 8-14h / 15-18h
Sábado y domingo: Cerrado
Responsable: Ruedas Alex, S.L.U, siendo la Finalidad: gestionar el contacto entre cualquier interesado y nuestros servicios de atención. La Legitimación: es gracias a tu consentimiento. Destinatarios: no se comunicarán los datos personales a ningún tercero. Podrás efercer Tus Derechos de Acceso, Rectificación, Supresión, Limitación, Oposición y Portabilidad en rgpd@alex.es. Para más información consulte la Política de Privacidad.

Manténgase informado de todas las novedades, ofertas y promociones que tenemos preparadas para usted.