Fabricantes desde 1958
Ruedas Alex

SERIE BHA-PGAIB (AH PEQ) 2-5251

Ver Comparativa
Código: 2-5251

Ruedas de goma gris inyectada. Especialmente indicadas para soportar cargas hasta 100 Kg.

Es utilizada en carros de transporte alimentación, cocina, supermercados, carros de limpieza, camas.

PGAIB: Silenciosa y absorbe las vibraciones. No dejan huella en los pavimentos. Fácil desplazamiento.

Componentes

Soporte

Fabricada con chapa de acero hasta 2 m/m de espesor. Soporte con doble rodamiento a bolas de gran tamaí±o. Acabado cincado brillante. Fabricadas según normas europeas EN 12530.

Aro

Núcleo de polipropileno y banda de poliuretano gris conductivo( 95º shore A)

Rango de temperatura: -25º ÷ +80º

Facilidad de desplazamiento Muy bueno
Ruido durante la marcha Bueno
Protección del suelo Muy bueno

Datos técnicos 2-5251

EAN:
8422202252513
Tipo Soporte:
Giratorio
Tipo Fijación:
Platina
Tipo Freno:
Sin Freno
Material:
Goma
Temperatura Mínima (ºC):
-20
Temperatura Máxima (ºC):
60
Dureza del bandaje:
90º SHORE A
Cojinete:
Bolas
Color:
Gris
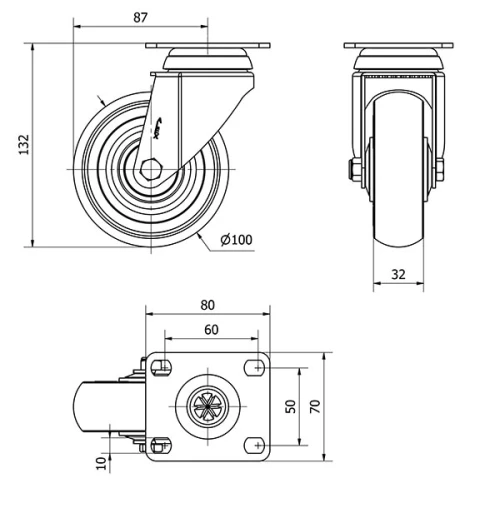
Diámetro (mm):
100
Ancho de banda (mm):
32
Medidas de la placa (mm):
80x70
Distancia entre agujeros (mm):
60x50
Diámetro agujero (mm):
8
Radio de giro (mm):
87
Altura total (mm):
132
Capacidad de carga (kg):
90
Datos técnicos 2-5251

Área Privada

Regístrate
Descargar en formatos 3D
Descargar en formatos 2D
DWG
Descargar PDF
PDF
Precio
--
Contactar

Contacta con nosotros

Envíenos el siguiente formulario y nos pondremos en contacto con usted para atender su consulta.

Información de contacto:
Email: info@alex.es
Teléfono: (+34) 974 035 345
Horario:
Lunes a Viernes: 8-14h / 15-18h
Sábado y domingo: Cerrado
Responsable: Ruedas Alex, S.L.U, siendo la Finalidad: gestionar el contacto entre cualquier interesado y nuestros servicios de atención. La Legitimación: es gracias a tu consentimiento. Destinatarios: no se comunicarán los datos personales a ningún tercero. Podrás efercer Tus Derechos de Acceso, Rectificación, Supresión, Limitación, Oposición y Portabilidad en rgpd@alex.es. Para más información consulte la Política de Privacidad.

Manténgase informado de todas las novedades, ofertas y promociones que tenemos preparadas para usted.