Fabricantes desde 1958
Ruedas Alex

SERIE DKG-DKG Negro 4-1319

Ver Comparativa
Código: 4-1319

Ruedas color negro de la serie DKG especialmente indicadas para soportar cargas hasta 120 Kg.

Se aplica en expositores, muebles, equipos de belleza y peluquerías, sillas de oficina, taburetes, percheros, fotocopiadoras, ebanisterías, útiles de hospitales, mobiliario clínico sanitario, porta goteros, goteros, canapés, cubos de basura.

DKG: Alta capacidad de carga. Ligera y resistente.

Accesorios Fijaciones Serie DKG

Componentes

Soporte

Soporte de poliamida para albergar dos ruedas gemelas. Fijaciones: platina y espiga roscada. Acabado en polipropileno negro. Diametro de la rueda de 80 a 120 mm. Con y sin freno.

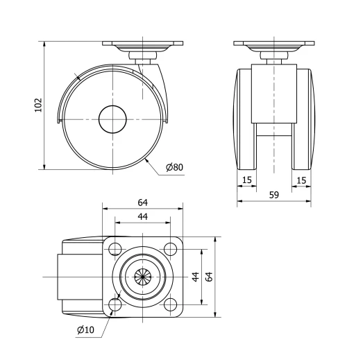
Datos técnicos 4-1319

EAN:
8422202413198
Tipo Soporte:
Giratorio
Tipo Fijación:
Platina
Tipo Freno:
Sin Freno
Material:
Poliamida
Cojinete:
Liso
Diámetro (mm):
80
Medidas de la placa (mm):
64x64
Diámetro agujero (mm):
10
Altura total (mm):
102
Capacidad de carga (kg):
80
Peso Unitario de la rueda (kg):
0,343
Volumen (cm3):
470
Datos técnicos 4-1319

Área Privada

Regístrate
Descargar en formatos 3D
Descargar en formatos 2D
DWG
Descargar PDF
PDF
Precio
--

Productos Similares

Contactar

Contacta con nosotros

Envíenos el siguiente formulario y nos pondremos en contacto con usted para atender su consulta.

Información de contacto:
Email: info@alex.es
Teléfono: (+34) 974 035 345
Horario:
Lunes a Viernes: 8-14h / 15-18h
Sábado y domingo: Cerrado
Responsable: Ruedas Alex, S.L.U, siendo la Finalidad: gestionar el contacto entre cualquier interesado y nuestros servicios de atención. La Legitimación: es gracias a tu consentimiento. Destinatarios: no se comunicarán los datos personales a ningún tercero. Podrás efercer Tus Derechos de Acceso, Rectificación, Supresión, Limitación, Oposición y Portabilidad en rgpd@alex.es. Para más información consulte la Política de Privacidad.

Manténgase informado de todas las novedades, ofertas y promociones que tenemos preparadas para usted.