Fabricantes desde 1958
Ruedas Alex

SERIE BH-PPI 2-4477

Ver Comparativa
Código: 2-4477

Ruedas de poliuretano rojo inyectado. Especialmente indicadas para soportar cargas hasta 100 Kg.

Es utilizada en supermercados, expositores, muebles, cajas apilables, taburetes, vitrinas, percheros, carros de hostelería, taburetes, mobiliario clínico sanitario, goteros.

PPI: Silencioso e indeformable. Fácil desplazamiento con carga.

Componentes

Soporte

Fabricada con chapa de acero hasta 2 m/m de espesor. Soporte con doble rodamiento a bolas. Acabado cincado brillante. Fabricadas según normas europeas EN 12528/12530.

Aro

Núcleo de poliamix y banda de poliuretano( 95º shore A)

Rango de temperatura: -25º ÷ +80º

Facilidad de desplazamiento Muy bueno
Ruido durante la marcha Muy bueno
Protección del suelo Muy bueno

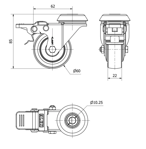
Datos técnicos 2-4477

EAN:
8422202244778
Tipo Soporte:
Giratorio
Tipo Fijación:
Agujero pasante
Tipo Freno:
Freno Rueda y Soporte
Material:
Poliuretano
Cojinete:
Liso
Diámetro (mm):
60
Ancho de banda (mm):
22
Diámetro agujero (mm):
10
Radio de giro (mm):
62
Altura total (mm):
85
Capacidad de carga (kg):
50
Peso Unitario de la rueda (kg):
0,31
Datos técnicos 2-4477

Área Privada

Regístrate
Descargar en formatos 3D
Descargar en formatos 2D
DWG
Descargar PDF
PDF
Precio
--

Productos Similares

Contactar

Contacta con nosotros

Envíenos el siguiente formulario y nos pondremos en contacto con usted para atender su consulta.

Información de contacto:
Email: info@alex.es
Teléfono: (+34) 974 035 345
Horario:
Lunes a Viernes: 8-14h / 15-18h
Sábado y domingo: Cerrado
Responsable: Ruedas Alex, S.L.U, siendo la Finalidad: gestionar el contacto entre cualquier interesado y nuestros servicios de atención. La Legitimación: es gracias a tu consentimiento. Destinatarios: no se comunicarán los datos personales a ningún tercero. Podrás efercer Tus Derechos de Acceso, Rectificación, Supresión, Limitación, Oposición y Portabilidad en rgpd@alex.es. Para más información consulte la Política de Privacidad.

Manténgase informado de todas las novedades, ofertas y promociones que tenemos preparadas para usted.