Fabricantes desde 1958
Ruedas Alex

SERIE A-PGC 2-1591

Ver Comparativa
Rueda mobiliario clínico sanitario hospitales poliuretano agujero Alex
Código: 2-1591

Ruedas conductivas de poliuretano gris. Especialmente indicadas para soportar cargas hasta 100 Kg.

Es utilizada en salas de operaciones, hospitales, quirófanos, camas, factorías de alimentación, camillas.

PGC: No mancha el suelo. Rueda suave y silenciosa. Conductiva.

Componentes

Soporte

Fabricada con chapa de acero hasta 2,5 m/m de espesor. Soporte con doble rodamiento a bolas con pistas complementarias endurecidas. Acabado cincado cromado. Gran variedad de fijaciones, frenos, ruedas. Fabricadas según normas europeas EN 12530.

Aro

Núcleo de polipropileno y banda de poliuretano gris conductivo( 95º shore A)

Rango de temperatura: -25º ÷ +80º

Facilidad de desplazamiento Muy bueno
Ruido durante la marcha Bueno
Protección del suelo Muy bueno

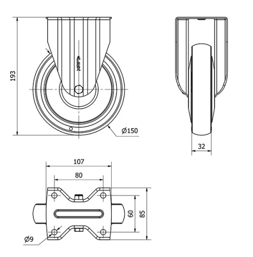
Datos técnicos 2-1591

EAN:
8422202215914
Tipo Soporte:
Fijo
Tipo Fijación:
Platina
Tipo Freno:
Sin Freno
Material:
Poliuretano
Dureza del bandaje:
55º-60º SHORE D
Cojinete:
Bolas
Diámetro (mm):
150
Ancho de banda (mm):
32
Medidas de la placa (mm):
107x86
Distancia entre agujeros (mm):
86/80x60
Diámetro agujero (mm):
8
Altura total (mm):
193
Capacidad de carga (kg):
125
Peso Unitario de la rueda (kg):
1,244
Volumen (cm3):
2490
Datos técnicos 2-1591

Área Privada

Regístrate
Descargar en formatos 3D
Descargar en formatos 2D
DWG
Descargar PDF
PDF
Precio
--

Productos Similares

Contactar

Contacta con nosotros

Envíenos el siguiente formulario y nos pondremos en contacto con usted para atender su consulta.

Información de contacto:
Email: info@alex.es
Teléfono: (+34) 974 035 345
Horario:
Lunes a Viernes: 8-14h / 15-18h
Sábado y domingo: Cerrado
Responsable: Ruedas Alex, S.L.U, siendo la Finalidad: gestionar el contacto entre cualquier interesado y nuestros servicios de atención. La Legitimación: es gracias a tu consentimiento. Destinatarios: no se comunicarán los datos personales a ningún tercero. Podrás efercer Tus Derechos de Acceso, Rectificación, Supresión, Limitación, Oposición y Portabilidad en rgpd@alex.es. Para más información consulte la Política de Privacidad.

Manténgase informado de todas las novedades, ofertas y promociones que tenemos preparadas para usted.