Fabricantes desde 1958
Ruedas Alex

SERIE A-PGA 2-1568

Ver Comparativa
Rueda hospital giratoria con freno poliamix Alex
Código: 2-1568

Ruedas con núcleo de poliamix y banda de goma gris. Especialmente indicadas para soportar cargas hasta 100 Kg.

Es utilizada en salas de operaciones, quirófanos, camas, restauración (cocinas, etc.).

PGA: No mancha el suelo. Rueda suave y silenciosa.

Componentes

Soporte

Fabricada con chapa de acero hasta 2,5 m/m de espesor. Soporte con doble rodamiento a bolas con pistas complementarias endurecidas. Acabado cincado cromado. Gran variedad de fijaciones, frenos, ruedas. Fabricadas según normas europeas EN 12530.

Aro

Núcleo de poliamix y banda de goma gris

Rango de temperatura: -20º ÷ +60º

Facilidad de desplazamiento Satisfactorio
Ruido durante la marcha Excelente
Protección del suelo Excelente

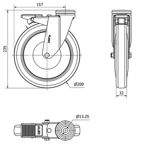
Datos técnicos 2-1568

EAN:
8422202215686
Tipo Soporte:
Giratorio
Tipo Fijación:
Agujero pasante
Tipo Freno:
Freno Rueda y Soporte
Material:
Goma
Cojinete:
Bolas
Diámetro (mm):
200
Ancho de banda (mm):
32
Diámetro agujero (mm):
12
Radio de giro (mm):
157
Altura total (mm):
235
Capacidad de carga (kg):
125
Peso Unitario de la rueda (kg):
2,293
Volumen (cm3):
2637
Datos técnicos 2-1568

Área Privada

Regístrate
Descargar en formatos 3D
Descargar en formatos 2D
DWG
Descargar PDF
PDF
Precio
--

Productos Similares

Contactar

Contacta con nosotros

Envíenos el siguiente formulario y nos pondremos en contacto con usted para atender su consulta.

Información de contacto:
Email: info@alex.es
Teléfono: (+34) 974 035 345
Horario:
Lunes a Viernes: 8-14h / 15-18h
Sábado y domingo: Cerrado
Responsable: Ruedas Alex, S.L.U, siendo la Finalidad: gestionar el contacto entre cualquier interesado y nuestros servicios de atención. La Legitimación: es gracias a tu consentimiento. Destinatarios: no se comunicarán los datos personales a ningún tercero. Podrás efercer Tus Derechos de Acceso, Rectificación, Supresión, Limitación, Oposición y Portabilidad en rgpd@alex.es. Para más información consulte la Política de Privacidad.

Manténgase informado de todas las novedades, ofertas y promociones que tenemos preparadas para usted.