Fabricantes desde 1958
Ruedas Alex

SERIE ZVA-PS 2-0918

Ver Comparativa
Rueda para andamio giratoria con freno goma Alex
Código: 2-0918

Ruedas con núcleo de poliamix y banda de goma negra natural, especialmente indicada para soportar altas cargas hasta 215 Kg.

Su uso es aplicable en sectores industriales, manutención de factorías, industrias metalúrgicas, servicios públicos, sectores como el ferroviario, aeronáutico, construcción, andamios, escaleras móviles, grúas móviles, plataformas elevadoras, gradas móviles.

Aptas para el uso en todo tipo de pavimentos (suelos) ya sea en interiores o exteriores.

PS: Rueda suave y silenciosa. Máxima protección de los suelos. Absorción de golpes y vibraciones.

Componentes

Soporte

Fabricada con chapa de acero embutida hasta 3m/m de espesor. Acabado cincado. Freno de doble acción. Tubo de 44mm de ixterior x 120 mm de alto en espiga cazoleta. Tubo de 34mm de exterior x 135mm de alto en espiga sólida. Fabricadas según normas europeas EN 12532.

Aro

Núcleo de poliamix y banda de goma

Rango de temperatura: -20º ÷ +60º

Facilidad de desplazamiento Satisfactorio
Ruido durante la marcha Excelente
Protección del suelo Excelente

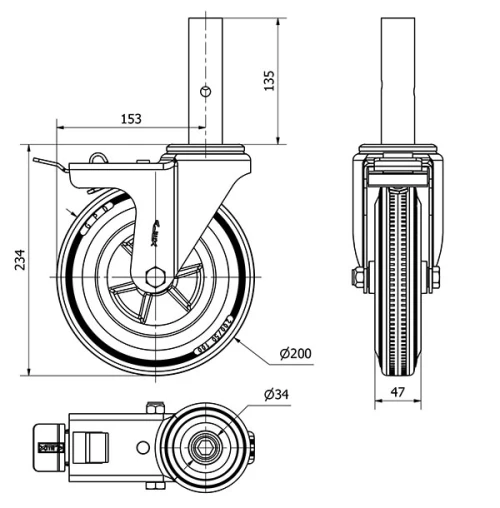
Datos técnicos 2-0918

EAN:
8422202209180
Tipo Soporte:
Giratorio
Tipo Fijación:
Espiga
Tipo Freno:
Freno Rueda y Soporte
Material:
Goma
Cojinete:
Liso
Diámetro (mm):
200
Ancho de banda (mm):
47
Medidas Espiga:
34x135
Radio de giro (mm):
153
Altura total (mm):
234
Capacidad de carga (kg):
215
Peso Unitario de la rueda (kg):
3,222
Volumen (cm3):
4631
Datos técnicos 2-0918

Área Privada

Regístrate
Descargar en formatos 3D
Descargar en formatos 2D
DWG
Descargar PDF
PDF
Precio
--

Productos Similares

Contactar

Contacta con nosotros

Envíenos el siguiente formulario y nos pondremos en contacto con usted para atender su consulta.

Información de contacto:
Email: info@alex.es
Teléfono: (+34) 974 035 345
Horario:
Lunes a Viernes: 8-14h / 15-18h
Sábado y domingo: Cerrado
Responsable: Ruedas Alex, S.L.U, siendo la Finalidad: gestionar el contacto entre cualquier interesado y nuestros servicios de atención. La Legitimación: es gracias a tu consentimiento. Destinatarios: no se comunicarán los datos personales a ningún tercero. Podrás efercer Tus Derechos de Acceso, Rectificación, Supresión, Limitación, Oposición y Portabilidad en rgpd@alex.es. Para más información consulte la Política de Privacidad.

Manténgase informado de todas las novedades, ofertas y promociones que tenemos preparadas para usted.