Fabricantes desde 1958
Ruedas Alex

SERIE HLBI-RIT 6 4-1261

Ver Comparativa
Rueda neumática fija Alex
Código: 4-1261

Ruedas color negro, con llanta metálica y cubierta neumática de 4 y 6 lonas especialmente indicadas para soportar cargas hasta 300 Kg.

Se aplica en: carretillas de reparto, carros portabotellas, bidones, remolques, carros de almacén, plataformas, carros de transporte.

RIT 6: Neumática, silenciosa, buena amortiguación a los golpes.

Componentes

Soporte

Chapa de acero hasta 8 m/m de espesor. Acabado pintado negro. Buena amortiguación a los golpes. Baja resistencia a la rodadura en suelos irregulares. Gran capacidad de carga.

Aro

Llanta metálica y cubierta neumática de 4/6 lonas

Facilidad de desplazamiento Bueno
Ruido durante la marcha Muy bueno
Protección del suelo Excelente

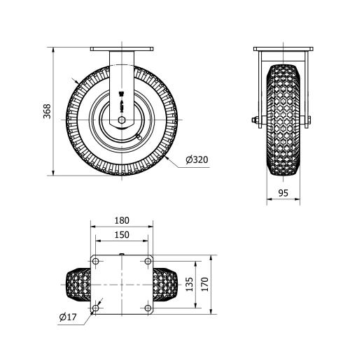
Datos técnicos 4-1261

EAN:
8422202412610
Tipo Soporte:
Fijo
Tipo Fijación:
Platina
Tipo Freno:
Sin Freno
Material:
Rueda Neumatica
Cojinete:
Bolas
Diámetro (mm):
320
Ancho de banda (mm):
95
Medidas de la placa (mm):
180x170
Distancia entre agujeros (mm):
150x135
Diámetro agujero (mm):
16
Altura total (mm):
368
Capacidad de carga (kg):
250
Peso Unitario de la rueda (kg):
7,08
Volumen (cm3):
11261
Lonas:
4 Lonas
Datos técnicos 4-1261

Área Privada

Regístrate
Descargar en formatos 3D
Descargar en formatos 2D
DWG
Descargar PDF
PDF
Precio
--

Productos Similares

Contactar

Contacta con nosotros

Envíenos el siguiente formulario y nos pondremos en contacto con usted para atender su consulta.

Información de contacto:
Email: info@alex.es
Teléfono: (+34) 974 035 345
Horario:
Lunes a Viernes: 8-14h / 15-18h
Sábado y domingo: Cerrado
Responsable: Ruedas Alex, S.L.U, siendo la Finalidad: gestionar el contacto entre cualquier interesado y nuestros servicios de atención. La Legitimación: es gracias a tu consentimiento. Destinatarios: no se comunicarán los datos personales a ningún tercero. Podrás efercer Tus Derechos de Acceso, Rectificación, Supresión, Limitación, Oposición y Portabilidad en rgpd@alex.es. Para más información consulte la Política de Privacidad.

Manténgase informado de todas las novedades, ofertas y promociones que tenemos preparadas para usted.