Fabricantes desde 1958
Ruedas Alex

SERIE ZV-EP 2-1117

Ver Comparativa
Rueda neumática giratoria impinchable maciza Alex
Código: 2-1117

Ruedas impinchables color gris, con llanta de polipropileno y cubierta elástica maciza especialmente indicadas para soportar cargas hasta 75 Kg.

Se aplica en: carros de transporte, transporte de útiles.

EP: silenciosa, no deja huella.

Componentes

Soporte

Chapa de acero hasta 4 m/m de espesor. Acabado cincado brillante. Impinchables. Silenciosas. No dejan huella. Fabricadas según normas europeas EN 12532.

Aro

Llanta de polipropileno y cubierta elástica impinchable

Facilidad de desplazamiento Muy bueno
Ruido durante la marcha Excelente
Protección del suelo Excelente

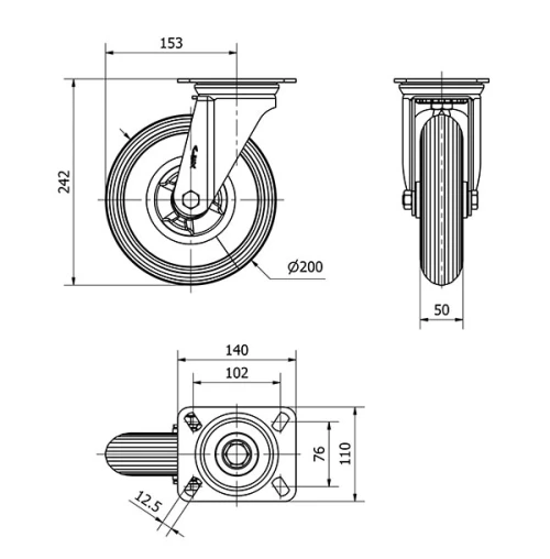
Datos técnicos 2-1117

EAN:
8422202211176
Tipo Soporte:
Giratorio
Tipo Fijación:
Platina
Tipo Freno:
Sin Freno
Material:
Rueda Neumatica
Cojinete:
Rodillos
Diámetro (mm):
200
Ancho de banda (mm):
50
Medidas de la placa (mm):
140x110
Distancia entre agujeros (mm):
110x84/98x66
Diámetro agujero (mm):
10
Radio de giro (mm):
153
Altura total (mm):
242
Capacidad de carga (kg):
75
Peso Unitario de la rueda (kg):
2,52
Volumen (cm3):
5936
Datos técnicos 2-1117

Área Privada

Regístrate
Descargar en formatos 3D
Descargar en formatos 2D
DWG
Descargar PDF
PDF
Precio
--

Productos Similares

Contactar

Contacta con nosotros

Envíenos el siguiente formulario y nos pondremos en contacto con usted para atender su consulta.

Información de contacto:
Email: info@alex.es
Teléfono: (+34) 974 035 345
Horario:
Lunes a Viernes: 8-14h / 15-18h
Sábado y domingo: Cerrado
Responsable: Ruedas Alex, S.L.U, siendo la Finalidad: gestionar el contacto entre cualquier interesado y nuestros servicios de atención. La Legitimación: es gracias a tu consentimiento. Destinatarios: no se comunicarán los datos personales a ningún tercero. Podrás efercer Tus Derechos de Acceso, Rectificación, Supresión, Limitación, Oposición y Portabilidad en rgpd@alex.es. Para más información consulte la Política de Privacidad.

Manténgase informado de todas las novedades, ofertas y promociones que tenemos preparadas para usted.