Fabricantes desde 1958
Ruedas Alex

SERIE WL-RIFN 4-0900

Ver Comparativa
Rueda media carga  industrial giratoria con freno goma gris inyectada Alex
Código: 4-0900

Ruedas neumáticas color negro, con centro de poliamix con tipo de cojinete liso (RIFN) o de rodillos (RIFR), especialmente indicadas para soportar cargas hasta 100 Kg.

Se aplica en: carretillas de reparto, carros portabolletas, bidones, remolques, carros de almacén, plataformas, carros de transporte.

RIFN-RIFR: impinchable, silenciosa, buena amortiguación a los golpes.

Componentes

Soporte

Chapa de acero embutida. Acabado cincado brillante. Buena amortiguación a los golpes. Baja resistencia a la rodadura en suelos irregulares. La cámara de aire protege el piso.

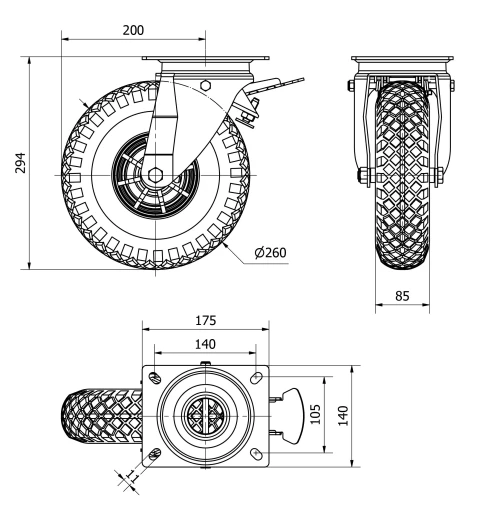
Datos técnicos 4-0900

EAN:
8422202409009
Tipo Soporte:
Giratorio
Tipo Fijación:
Platina
Tipo Freno:
Freno Rueda
Cojinete:
Liso
Diámetro (mm):
260
Ancho de banda (mm):
85
Medidas de la placa (mm):
175x140
Distancia entre agujeros (mm):
140x105
Diámetro agujero (mm):
10
Radio de giro (mm):
200
Altura total (mm):
294
Capacidad de carga (kg):
100
Peso Unitario de la rueda (kg):
3,68
Datos técnicos 4-0900

Área Privada

Regístrate
Descargar en formatos 3D
Descargar en formatos 2D
DWG
Descargar PDF
PDF
Precio
--

Productos Similares

Contactar

Contacta con nosotros

Envíenos el siguiente formulario y nos pondremos en contacto con usted para atender su consulta.

Información de contacto:
Email: info@alex.es
Teléfono: (+34) 974 035 345
Horario:
Lunes a Viernes: 8-14h / 15-18h
Sábado y domingo: Cerrado
Responsable: Ruedas Alex, S.L.U, siendo la Finalidad: gestionar el contacto entre cualquier interesado y nuestros servicios de atención. La Legitimación: es gracias a tu consentimiento. Destinatarios: no se comunicarán los datos personales a ningún tercero. Podrás efercer Tus Derechos de Acceso, Rectificación, Supresión, Limitación, Oposición y Portabilidad en rgpd@alex.es. Para más información consulte la Política de Privacidad.

Manténgase informado de todas las novedades, ofertas y promociones que tenemos preparadas para usted.