Fabricantes desde 1958
Ruedas Alex

SERIE HLSB-DE 2-3965

Ver Comparativa
Rueda para transporte industrial alta y media carga bloqueo direccional poliuretano fundido Alex
Código: 2-3965

Ruedas de núcleo de aluminio con banda de goma negra elástica con una dureza 70˚ shore A. Especialmente indicada para soportar altas cargas hasta 450 Kg. Con soporte de suspensión elástica mediante incorporación de muelle muy resistente para absorber golpes, choques y desniveles. Recorrido de suspensión hasta 25mm., ideal en suelos irregulares donde su amortiguación actúa.

Se aplica en útiles de transporte logístico, área de exteriores, logística interna, gradas móviles, plataformas elevadoras, carros de transporte, logística material misiones, maquinaria pesada del sector de la construcción, grúas móviles. Principalmente en el sector aeronáutico, ferroviario y automoción.

DE: ideal en el traslado manual de cargas medianas. Silenciosa. Absorción de golpes y vibraciones. Máxima protección de los suelos y del equipo. Ideal para suelos irregulares.

Componentes

Soporte

Fabricada con acero soldado hasta 8 m/m de espesor. Acabado pintado negro. Soporte con suspensión elástica mediante incorporación de muelle muy resistente. Recorrido del muelle hasta 25 mm para una carga de 260 kg. Especialmente diseñada para absorber por amortiguación: golpes, Choques y desniveles. Fabricadas según normas europeas EN 12532/12533. 

Aro

Núcleo de aluminio y banda de goma elástica(70º Shore A)

Rango de temperatura: -20º ÷ +70º

Facilidad de desplazamiento Satisfactorio
Ruido durante la marcha Excelente
Protección del suelo Excelente

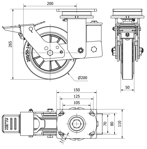
Datos técnicos 2-3965

EAN:
8422202239651
Tipo Soporte:
Giratorio
Tipo Fijación:
Platina
Tipo Freno:
Freno Rueda
Material:
Goma
Temperatura Mínima (ºC):
-20
Temperatura Máxima (ºC):
70
Dureza del bandaje:
65º-70º SHORE A
Cojinete:
Bolas
Diámetro (mm):
200
Ancho de banda (mm):
50
Medidas de la placa (mm):
150x110
Distancia entre agujeros (mm):
105x80
Diámetro agujero (mm):
10
Radio de giro (mm):
200
Altura total (mm):
265
Capacidad de carga (kg):
450
Datos técnicos 2-3965

Área Privada

Regístrate
Descargar en formatos 3D
Descargar en formatos 2D
DWG
Descargar PDF
PDF
Precio
--

Productos Similares

Contactar

Contacta con nosotros

Envíenos el siguiente formulario y nos pondremos en contacto con usted para atender su consulta.

Información de contacto:
Email: info@alex.es
Teléfono: (+34) 974 035 345
Horario:
Lunes a Viernes: 8-14h / 15-18h
Sábado y domingo: Cerrado
Responsable: Ruedas Alex, S.L.U, siendo la Finalidad: gestionar el contacto entre cualquier interesado y nuestros servicios de atención. La Legitimación: es gracias a tu consentimiento. Destinatarios: no se comunicarán los datos personales a ningún tercero. Podrás efercer Tus Derechos de Acceso, Rectificación, Supresión, Limitación, Oposición y Portabilidad en rgpd@alex.es. Para más información consulte la Política de Privacidad.

Manténgase informado de todas las novedades, ofertas y promociones que tenemos preparadas para usted.