Fabricantes desde 1958
Ruedas Alex

SERIE HLSB-AUAGB 2-4400

Ver Comparativa
Rueda media carga industrial giratoria poliuretano Alex
Código: 2-4400

Ruedas con núcleo de aluminio y banda de poliuretano verde fundido en forma balona con dureza 80º Shore A. Especialmente indicada para soportar cargas hasta 650 Kg. Con soporte de suspensión elástica mediante incorporación de muelle muy resistente para absorber golpes, choques y desniveles. Recorrido de suspensión hasta 25mm., ideal en suelos irregulares donde su amortiguación actúa.

Se aplica en útiles de transporte logístico, área de exteriores, logística interna, gradas móviles, plataformas elevadoras, carros de transporte, AGV, logística material misiones, maquinaria pesada del sector de la construcción, grúas móviles. Principalmente en el sector aeronáutico, ferroviario y automoción.

AUAGB: Poliuretano verde de gran capacidad de carga. Absorción de golpes. Menor esfuerzo al giro y desplazamiento.

Componentes

Soporte

Fabricada con acero soldado hasta 8 m/m de espesor. Acabado pintado negro. Soporte con suspensión elástica mediante incorporación de muelle muy resistente. Recorrido del muelle hasta 25 mm para una carga de 260 kg. Especialmente diseñada para absorber por amortiguación: golpes, Choques y desniveles. Fabricadas según normas europeas EN 12532/12533.

Aro

Facilidad de desplazamiento Muy bueno
Ruido durante la marcha Muy bueno
Protección del suelo Muy bueno

Datos técnicos 2-4400

EAN:
8422202244006
Tipo Soporte:
Giratorio
Tipo Fijación:
Platina
Tipo Freno:
Sin Freno
Material:
Poliuretano
Temperatura Mínima (ºC):
-20
Temperatura Máxima (ºC):
70
Dureza del bandaje:
80º SHORE A
Cojinete:
Bolas
Color:
Verde
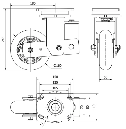
Diámetro (mm):
160
Ancho de banda (mm):
50
Medidas de la placa (mm):
150x110
Distancia entre agujeros (mm):
105x80
Diámetro agujero (mm):
10
Radio de giro (mm):
180
Altura total (mm):
245
Capacidad de carga (kg):
500
Peso Unitario de la rueda (kg):
7817
Volumen (cm3):
6872
Datos técnicos 2-4400

Área Privada

Regístrate
Descargar en formatos 3D
Descargar en formatos 2D
DWG
Descargar PDF
PDF
Precio
--

Productos Similares

Contactar

Contacta con nosotros

Envíenos el siguiente formulario y nos pondremos en contacto con usted para atender su consulta.

Información de contacto:
Email: info@alex.es
Teléfono: (+34) 974 035 345
Horario:
Lunes a Viernes: 8-14h / 15-18h
Sábado y domingo: Cerrado
Responsable: Ruedas Alex, S.L.U, siendo la Finalidad: gestionar el contacto entre cualquier interesado y nuestros servicios de atención. La Legitimación: es gracias a tu consentimiento. Destinatarios: no se comunicarán los datos personales a ningún tercero. Podrás efercer Tus Derechos de Acceso, Rectificación, Supresión, Limitación, Oposición y Portabilidad en rgpd@alex.es. Para más información consulte la Política de Privacidad.

Manténgase informado de todas las novedades, ofertas y promociones que tenemos preparadas para usted.