Fabricantes desde 1958
Ruedas Alex

SERIE GT-TA 4-1136

Ver Comparativa
Rueda industrial fija alta carga acero Alex
Código: 4-1136

Ruedas de acero, especialmente indicada para soportar altas cargas hasta 1.270 Kg.

Se aplica en herramientas de transporte logístico, hornos de alta temperatura (-40º a +300º) y maquinaria pesada para el sector de la construcción.

Utilizado principalmente en el sector ferroviario y fábricas de automóviles.

TA: Condiciones de trabajo muy severas donde la existencia de objetos cortantes productos químicos o temperaturas excesivas destruirían a otros tipos de ruedas.Gran capacidad de carga.

Para temperaturas superiores a 200º reducir carga (Kg) un 40%.

Componentes

Soporte

Fabricada con acero hasta 8 m/m de espesor. Acabado pintado negro. Cabezal giratorio con bolas de acero de gran dureza diseí±ado para soportar esfuerzos radiales y laterales. Cabezal totalmente hermético con engrasador. Fabricadas según normas europeas EN 12532/12533.

Aro

Rueda de acero

Rango de temperatura: -40º ÷ +300º

Facilidad de desplazamiento Excelente
Ruido durante la marcha Suficiente
Protección del suelo Suficiente

Datos técnicos 4-1136

EAN:
8422202411361
Tipo Soporte:
Fijo
Tipo Fijación:
Platina
Tipo Freno:
Sin Freno
Material:
Acero
Cojinete:
Liso
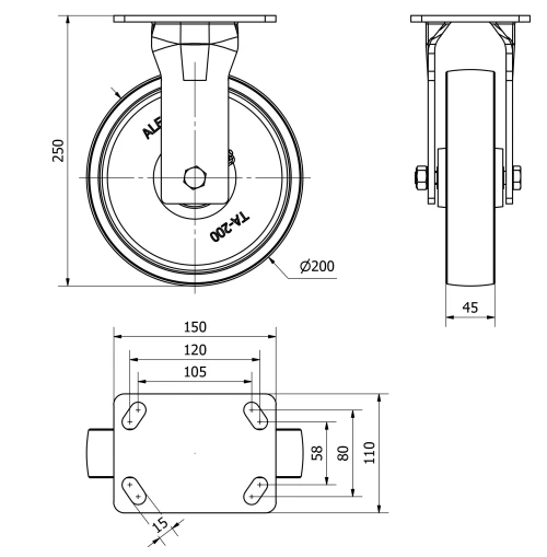
Diámetro (mm):
200
Ancho de banda (mm):
45
Medidas de la placa (mm):
150x110
Distancia entre agujeros (mm):
105x80
Diámetro agujero (mm):
12
Altura total (mm):
250
Capacidad de carga (kg):
1180
Peso Unitario de la rueda (kg):
5,86
Volumen (cm3):
4125
Datos técnicos 4-1136

Área Privada

Regístrate
Descargar en formatos 3D
Descargar en formatos 2D
DWG
Descargar PDF
PDF
Precio
--

Productos Similares

Contactar

Contacta con nosotros

Envíenos el siguiente formulario y nos pondremos en contacto con usted para atender su consulta.

Información de contacto:
Email: info@alex.es
Teléfono: (+34) 974 035 345
Horario:
Lunes a Viernes: 8-14h / 15-18h
Sábado y domingo: Cerrado
Responsable: Ruedas Alex, S.L.U, siendo la Finalidad: gestionar el contacto entre cualquier interesado y nuestros servicios de atención. La Legitimación: es gracias a tu consentimiento. Destinatarios: no se comunicarán los datos personales a ningún tercero. Podrás efercer Tus Derechos de Acceso, Rectificación, Supresión, Limitación, Oposición y Portabilidad en rgpd@alex.es. Para más información consulte la Política de Privacidad.

Manténgase informado de todas las novedades, ofertas y promociones que tenemos preparadas para usted.