Fabricantes desde 1958
Ruedas Alex

SERIE KV-HG 2-1962

Ver Comparativa
Rueda industrial giratoria alta carga goma Alex
Código: 2-1962

Ruedas con núcleo de acero y banda de goma negra natural, especialmente indicada para soportar altas cargas hasta 750 Kg.

Se aplica en útiles de transporte logístico, logística interna, gradas móviles, plataformas elevadoras, carros de transporte, logística material misiones, maquinaria pesada del sector de la construcción, grúas móviles. Principalmente en el sector aeronáutico, ferroviario y automoción.

HG: rueda apropiada para tracción mecánica (carretillas elevadoras, remolques etc…) y manual. Industria en general.

Componentes

Soporte

Fabricada con acero forjado hasta 10 m/m de espesor. Acabado pintado negro. Combinación de cojinetes cónicos y rodillos en el soporte. Cabezal giratorio hermético, con engrasadores en el cabezal del soporte y en la rueda. Fabricadas según normas europeas EN 12532/12533.

Aro

Núcleo de acero y banda de goma con engrasador.

Facilidad de desplazamiento Satisfactorio
Ruido durante la marcha Excelente
Protección del suelo Excelente

Datos técnicos 2-1962

EAN:
8422202219622
Tipo Soporte:
Giratorio
Tipo Fijación:
Platina
Tipo Freno:
Sin Freno
Material:
Goma
Cojinete:
Bolas
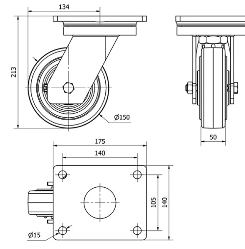
Diámetro (mm):
150
Ancho de banda (mm):
50
Medidas de la placa (mm):
175x140
Distancia entre agujeros (mm):
140x105
Diámetro agujero (mm):
14
Radio de giro (mm):
134
Altura total (mm):
213
Capacidad de carga (kg):
400
Peso Unitario de la rueda (kg):
12,18
Volumen (cm3):
6605
Datos técnicos 2-1962

Área Privada

Regístrate
Descargar en formatos 3D
Descargar en formatos 2D
DWG
Descargar PDF
PDF
Precio
--
Contactar

Contacta con nosotros

Envíenos el siguiente formulario y nos pondremos en contacto con usted para atender su consulta.

Información de contacto:
Email: info@alex.es
Teléfono: (+34) 974 035 345
Horario:
Lunes a Viernes: 8-14h / 15-18h
Sábado y domingo: Cerrado
Responsable: Ruedas Alex, S.L.U, siendo la Finalidad: gestionar el contacto entre cualquier interesado y nuestros servicios de atención. La Legitimación: es gracias a tu consentimiento. Destinatarios: no se comunicarán los datos personales a ningún tercero. Podrás efercer Tus Derechos de Acceso, Rectificación, Supresión, Limitación, Oposición y Portabilidad en rgpd@alex.es. Para más información consulte la Política de Privacidad.

Manténgase informado de todas las novedades, ofertas y promociones que tenemos preparadas para usted.