Fabricantes desde 1958
Ruedas Alex

SERIE HLS-HUAB 2-3545

Ver Comparativa
Rueda industrial fija alta carga poliuretano Alex
Código: 2-3545

Ruedas con núcleo de acero y banda de poliuretano fundido con dureza de 95˚ shore A con banda de rodadura en forma balona, especialmente indicada para soportar altas cargas hasta 800 Kg. Con soporte de suspensión elástica mediante incorporación de muelle muy resistente, ideal en suelos irregulares donde su amortiguación actúa.

Se aplica en útiles de transporte logístico, área de exteriores, logística interna, gradas móviles, plataformas elevadoras, carros de transporte, logística material misiones, maquinaria pesada del sector de la construcción, grúas móviles. Principalmente en el sector aeronáutico, ferroviario y automoción.

HUAB: Maxima maniobrabilidad. Alta absorción a los golpes. Condiciones de pavimento desfavorables. Superficies rugosas, quebradas, con virutas metálicas, manchas de aceite, cristales, grasas, grava.

Componentes

Soporte

Fabricada con acero soldado desde 8 m/m hasta 18 m/m de espesor. Acabado cincado pintado negro. Soporte con suspensión elástica mediante incorporación de muelle muy resistente. Recorrido del muelle hasta 24,5mm para una carga de 700 kg. Especialmente diseñada para absorber por amortiguación: golpes, Choques y desniveles. Fabricadas según normas europeas EN 12532/12533.

Aro

Núcleo de acero y banda de poliuretano

Rango de temperatura: -20º ÷ +60º

Facilidad de desplazamiento Excelente
Ruido durante la marcha Bueno
Protección del suelo Bueno

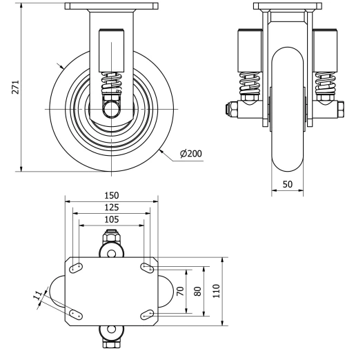
Datos técnicos 2-3545

EAN:
8422202235455
Tipo Soporte:
Fijo
Tipo Fijación:
Platina
Tipo Freno:
Sin Freno
Material:
Poliuretano
Temperatura Mínima (ºC):
-20
Temperatura Máxima (ºC):
80
Dureza del bandaje:
95º SHORE A
Cojinete:
Bolas
Diámetro (mm):
200
Ancho de banda (mm):
50
Medidas de la placa (mm):
150x110
Distancia entre agujeros (mm):
105x80
Diámetro agujero (mm):
10
Altura total (mm):
271
Capacidad de carga (kg):
800
Peso Unitario de la rueda (kg):
10,427
Volumen (cm3):
5962
Datos técnicos 2-3545

Área Privada

Regístrate
Descargar en formatos 3D
Descargar en formatos 2D
DWG
Descargar PDF
PDF
Precio
--

Productos Similares

Contactar

Contacta con nosotros

Envíenos el siguiente formulario y nos pondremos en contacto con usted para atender su consulta.

Información de contacto:
Email: info@alex.es
Teléfono: (+34) 974 035 345
Horario:
Lunes a Viernes: 8-14h / 15-18h
Sábado y domingo: Cerrado
Responsable: Ruedas Alex, S.L.U, siendo la Finalidad: gestionar el contacto entre cualquier interesado y nuestros servicios de atención. La Legitimación: es gracias a tu consentimiento. Destinatarios: no se comunicarán los datos personales a ningún tercero. Podrás efercer Tus Derechos de Acceso, Rectificación, Supresión, Limitación, Oposición y Portabilidad en rgpd@alex.es. Para más información consulte la Política de Privacidad.

Manténgase informado de todas las novedades, ofertas y promociones que tenemos preparadas para usted.