Fabricantes desde 1958
Ruedas Alex

SERIE HLR-HU 2-4257

Ver Comparativa
Código: 2-4257

Rueda doble con núcleo de acero y banda de poliuretano fundido con dureza de 95º shoreA, especialmente indicada para soportar altas cargas hasta 4.000Kg.

Es utilizada en, útiles de transporte logístico, grúas que transportan materiales pesados así como plataformas elevadoras. Principalmente en el sector aeronáutico, ferroviario y automoción.

HU: Alta absorción a los golpes e impactos. Protección de los suelos y alta resistencia al desgaste por abrasión. Silenciosa y respetuosa. Recomendada para superficies rugosas, irregulares, quebradas, con virutas metálicas, manchas de aceite, cristales, grasas, grava.

Componentes

Soporte

Fabricada con acero forjado desde 8 m/m hasta 20 m/m de espesor. Acabado pintado negro. Combinación de cojinetes de bolas y cónicos en el soporte: el superior para esfuerzos axiales, y el inferior para esfuerzos radiales Cabezal giratorio protegido, con engrasador y atornillado mediante vástago central macizo Ruedas con rodamientos de bolas de precisión, eje macizo roscado. Fabricadas según normas europeas EN 12532

Aro

Núcleo de acero y banda de poliuretano (92º Shore A) Cojinete Bolas

Rango de temperatura: -20º ÷ +60º

Facilidad de desplazamiento Muy bueno
Ruido durante la marcha Bueno
Protección del suelo Muy bueno

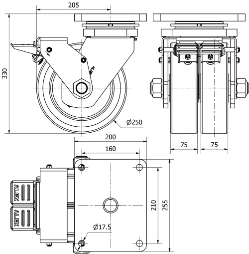
Datos técnicos 2-4257

EAN:
8422202242576
Tipo Soporte:
Giratorio
Tipo Fijación:
Platina
Tipo Freno:
Freno Rueda
Cojinete:
Bolas
Diámetro (mm):
250
Ancho de banda (mm):
75X2
Medidas de la placa (mm):
255x200
Distancia entre agujeros (mm):
210x160
Diámetro agujero (mm):
16
Radio de giro (mm):
205
Altura total (mm):
330
Capacidad de carga (kg):
3200
Datos técnicos 2-4257

Área Privada

Regístrate
Descargar en formatos 3D
Descargar en formatos 2D
DWG
Descargar PDF
PDF
Precio
--

Productos Similares

Contactar

Contacta con nosotros

Envíenos el siguiente formulario y nos pondremos en contacto con usted para atender su consulta.

Información de contacto:
Email: info@alex.es
Teléfono: (+34) 974 035 345
Horario:
Lunes a Viernes: 8-14h / 15-18h
Sábado y domingo: Cerrado
Responsable: Ruedas Alex, S.L.U, siendo la Finalidad: gestionar el contacto entre cualquier interesado y nuestros servicios de atención. La Legitimación: es gracias a tu consentimiento. Destinatarios: no se comunicarán los datos personales a ningún tercero. Podrás efercer Tus Derechos de Acceso, Rectificación, Supresión, Limitación, Oposición y Portabilidad en rgpd@alex.es. Para más información consulte la Política de Privacidad.

Manténgase informado de todas las novedades, ofertas y promociones que tenemos preparadas para usted.