Fabricantes desde 1958
Ruedas Alex

SERIE HLG-TA 2-3840

Ver Comparativa
Rueda industrial con freno alta carga nylon Alex
Código: 2-3840

Rueda doble de acero, especialmente indicada para soportar altas cargas hasta 2.700 Kg.

Se aplica en útiles de transporte logístico, carros de transporte para la industria minera, hornos que soportan altas temperaturas (-40˚ a +300˚), grúas que transportan materiales pesados así como plataformas elevadoras.Ruedas aplicadas principalmente en el sector aeronáutico, construcción, servicios públicos, ferroviario y automoción.

TA: condiciones de trabajo muy severas donde la existencia de objetos cortantes productos químicos o temperaturas excesivas destruirían a otros tipos de ruedas. Gran capacidad de carga.

Las versiones con cojinetes de bolas, deben trabajar en un rango de temperatura: -40º a +150º.

Para temperaturas superiores a 200º reducir carga (Kg) un 40%.

Componentes

Soporte

Fabricada con acero soldado desde 8 m/m hasta 19 m/m de espesor. Acabado pintado negro. Combinación de cojinetes de bolas y conicos en el soporte: el superior para esfuerzos axiales, y el inferior para esfuerzos radiales. Cabezal giratorio hermético, con engrasadores en el cabezal del soporte y en la rueda. Fabricadas según normas europeas EN 12532/12533.

Aro

Rueda de acero

Rango de temperatura: -40º ÷ +300º

Facilidad de desplazamiento Excelente
Ruido durante la marcha Suficiente
Protección del suelo Suficiente

Datos técnicos 2-3840

EAN:
8422202238401
Tipo Soporte:
Giratorio
Tipo Fijación:
Platina
Tipo Freno:
Bloqueo direccional
Material:
Acero
Temperatura Mínima (ºC):
90
Temperatura Máxima (ºC):
600
Dureza del bandaje:
95º HRB
Cojinete:
Bolas
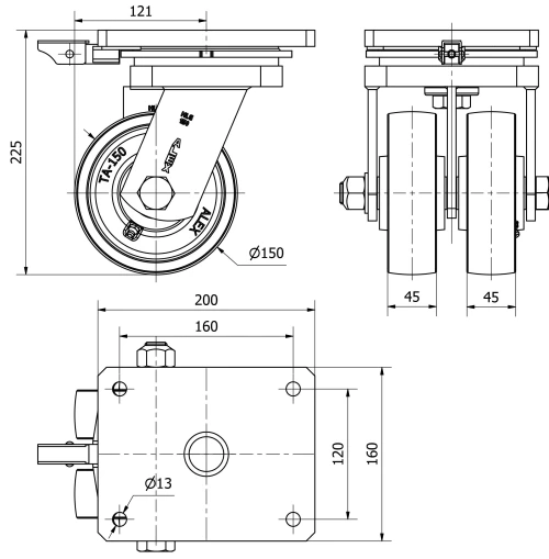
Diámetro (mm):
150
Ancho de banda (mm):
45x2
Medidas de la placa (mm):
200x160
Distancia entre agujeros (mm):
160x120
Diámetro agujero (mm):
12
Radio de giro (mm):
121
Altura total (mm):
225
Capacidad de carga (kg):
2000
Peso Unitario de la rueda (kg):
15,935
Volumen (cm3):
7956
Datos técnicos 2-3840

Área Privada

Regístrate
Descargar en formatos 3D
Descargar en formatos 2D
DWG
Descargar PDF
PDF
Precio
--

Productos Similares

Contactar

Contacta con nosotros

Envíenos el siguiente formulario y nos pondremos en contacto con usted para atender su consulta.

Información de contacto:
Email: info@alex.es
Teléfono: (+34) 974 035 345
Horario:
Lunes a Viernes: 8-14h / 15-18h
Sábado y domingo: Cerrado
Responsable: Ruedas Alex, S.L.U, siendo la Finalidad: gestionar el contacto entre cualquier interesado y nuestros servicios de atención. La Legitimación: es gracias a tu consentimiento. Destinatarios: no se comunicarán los datos personales a ningún tercero. Podrás efercer Tus Derechos de Acceso, Rectificación, Supresión, Limitación, Oposición y Portabilidad en rgpd@alex.es. Para más información consulte la Política de Privacidad.

Manténgase informado de todas las novedades, ofertas y promociones que tenemos preparadas para usted.