Fabricantes desde 1958
Ruedas Alex

SERIE HLB-HUAB 2-3538

Ver Comparativa
Rueda industrial giratoria con freno alta carga poliuretano Alex
Código: 2-3538

Ruedas con núcleo de acero y banda de poliuretano fundido con dureza de 95˚ shore A con banda de rodadura en forma balona, especialmente indicada para soportar altas cargas hasta 800 Kg.

Se aplica en útiles de transporte logístico, área de exteriores, logística interna, AGV, gradas móviles, plataformas elevadoras, carros de transporte, logística material misiones, maquinaria pesada del sector de la construcción, grúas móviles y polideportivos. Principalmente en el sector aeronáutico, ferroviario y automoción.

HUAB: Maxima maniobrabilidad. Alta absorción a los golpes. Condiciones de pavimento desfavorables. Superficies rugosas, quebradas, con virutas metálicas, manchas de aceite, cristales, grasas, grava.

Menor esfuerzo al giro y desplazamiento.

Componentes

Soporte

Fabricada con acero soldado desde 8 m/m hasta 18 m/m de espesor. Acabado pintado negro. Combinación de cojinetes de bolas y conicos en el soporte: el superior para esfuerzos axiales, y el inferior para esfuerzos radiales. Engrasadores en el cabezal del soporte y en la rueda. Fabricadas según normas europeas EN 12532/12533.

Aro

Núcleo de acero y banda de poliuretano

Rango de temperatura: -20º ÷ +60º

Facilidad de desplazamiento Excelente
Ruido durante la marcha Bueno
Protección del suelo Bueno

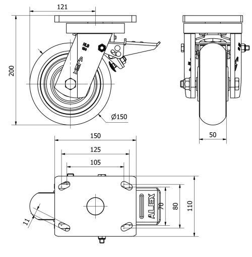
Datos técnicos 2-3538

EAN:
8422202235387
Tipo Soporte:
Giratorio
Tipo Fijación:
Platina
Tipo Freno:
Freno Rueda y Soporte
Material:
Poliuretano
Dureza del bandaje:
95º SHORE A
Cojinete:
Bolas
Diámetro (mm):
150
Ancho de banda (mm):
50
Medidas de la placa (mm):
150x110
Distancia entre agujeros (mm):
105x80
Diámetro agujero (mm):
10
Radio de giro (mm):
121
Altura total (mm):
200
Capacidad de carga (kg):
600
Peso Unitario de la rueda (kg):
6,52
Volumen (cm3):
5038
Datos técnicos 2-3538

Área Privada

Regístrate
Descargar en formatos 3D
Descargar en formatos 2D
DWG
Descargar PDF
PDF
Precio
--

Productos Similares

Contactar

Contacta con nosotros

Envíenos el siguiente formulario y nos pondremos en contacto con usted para atender su consulta.

Información de contacto:
Email: info@alex.es
Teléfono: (+34) 974 035 345
Horario:
Lunes a Viernes: 8-14h / 15-18h
Sábado y domingo: Cerrado
Responsable: Ruedas Alex, S.L.U, siendo la Finalidad: gestionar el contacto entre cualquier interesado y nuestros servicios de atención. La Legitimación: es gracias a tu consentimiento. Destinatarios: no se comunicarán los datos personales a ningún tercero. Podrás efercer Tus Derechos de Acceso, Rectificación, Supresión, Limitación, Oposición y Portabilidad en rgpd@alex.es. Para más información consulte la Política de Privacidad.

Manténgase informado de todas las novedades, ofertas y promociones que tenemos preparadas para usted.