Fabricantes desde 1958
Ruedas Alex

SERIE HLB-HU 4-1230

Ver Comparativa
Rueda industrial giratoria alta carga poliuretano Alex
Código: 4-1230

Ruedas con núcleo de acero y banda de poliuretano fundido con dureza de 95˚ shore A, especialmente indicada para soportar altas cargas hasta 1.900 Kg.

Se aplica en útiles de transporte logístico, área de exteriores, logística interna, gradas móviles, plataformas elevadoras, carros de transporte, AGV, logística material misiones, maquinaria pesada del sector de la construcción, grúas móviles. Principalmente en el sector aeronáutico, ferroviario y automoción.

HU: alta absorción a los golpes. Condiciones de pavimento desfavorables. Superficies rugosas, quebradas, con virutas metálicas, manchas de aceite, cristales, grasas, grava.

Componentes

Soporte

Fabricada con acero soldado desde 8 m/m hasta 18 m/m de espesor. Acabado pintado negro. Combinación de cojinetes de bolas y conicos en el soporte: el superior para esfuerzos axiales, y el inferior para esfuerzos radiales. Engrasadores en el cabezal del soporte y en la rueda. Fabricadas según normas europeas EN 12532/12533.

Aro

Núcleo de acero y banda de poliuretano (92º Shore A) Cojinete Bolas

Rango de temperatura: -20º ÷ +60º

Facilidad de desplazamiento Muy bueno
Ruido durante la marcha Bueno
Protección del suelo Muy bueno

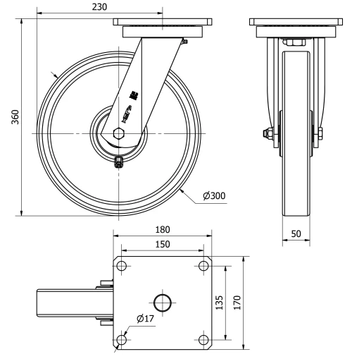
Datos técnicos 4-1230

EAN:
8422202412306
Tipo Soporte:
Giratorio
Tipo Fijación:
Platina
Tipo Freno:
Sin Freno
Material:
Poliuretano
Dureza del bandaje:
95º SHORE A
Cojinete:
Bolas
Diámetro (mm):
300
Ancho de banda (mm):
50
Medidas de la placa (mm):
180x170
Distancia entre agujeros (mm):
150x135
Diámetro agujero (mm):
16
Radio de giro (mm):
230
Altura total (mm):
360
Capacidad de carga (kg):
1270
Peso Unitario de la rueda (kg):
15,5
Volumen (cm3):
19584
Diámetro Atributo:
H
Datos técnicos 4-1230

Área Privada

Regístrate
Descargar en formatos 3D
Descargar en formatos 2D
DWG
Descargar PDF
PDF
Precio
--

Productos Similares

Contactar

Contacta con nosotros

Envíenos el siguiente formulario y nos pondremos en contacto con usted para atender su consulta.

Información de contacto:
Email: info@alex.es
Teléfono: (+34) 974 035 345
Horario:
Lunes a Viernes: 8-14h / 15-18h
Sábado y domingo: Cerrado
Responsable: Ruedas Alex, S.L.U, siendo la Finalidad: gestionar el contacto entre cualquier interesado y nuestros servicios de atención. La Legitimación: es gracias a tu consentimiento. Destinatarios: no se comunicarán los datos personales a ningún tercero. Podrás efercer Tus Derechos de Acceso, Rectificación, Supresión, Limitación, Oposición y Portabilidad en rgpd@alex.es. Para más información consulte la Política de Privacidad.

Manténgase informado de todas las novedades, ofertas y promociones que tenemos preparadas para usted.