Fabricantes desde 1958
Ruedas Alex

SERIE HLB-HG 2-3565

Ver Comparativa
Rueda industrial fija alta carga goma Alex
Código: 2-3565

Ruedas con núcleo de acero y banda de goma negra natural. Especialmente indicada para soportar altas cargas de hasta 850 Kg.

Se aplica en útiles de transporte logístico, gradas móviles, utillaje, grúas que transportan materiales pesados así como plataformas elevadoras, logística interna, carros de transporte.

Principalmente en el sector aeronáutico, ferroviario y automoción.

HG: Rueda apropiada para tracción mecánica. Máxima protección de los suelos. Rodadura suave y silenciosa. (Carretillas elevadoras, remolques etc…). Industria en general.

Componentes

Soporte

Fabricada con acero soldado desde 8 m/m hasta 18 m/m de espesor. Acabado pintado negro. Combinación de cojinetes de bolas y conicos en el soporte: el superior para esfuerzos axiales, y el inferior para esfuerzos radiales. Engrasadores en el cabezal del soporte y en la rueda. Fabricadas según normas europeas EN 12532/12533.

Aro

Núcleo de acero y banda de goma con engrasador.

Facilidad de desplazamiento Satisfactorio
Ruido durante la marcha Excelente
Protección del suelo Excelente

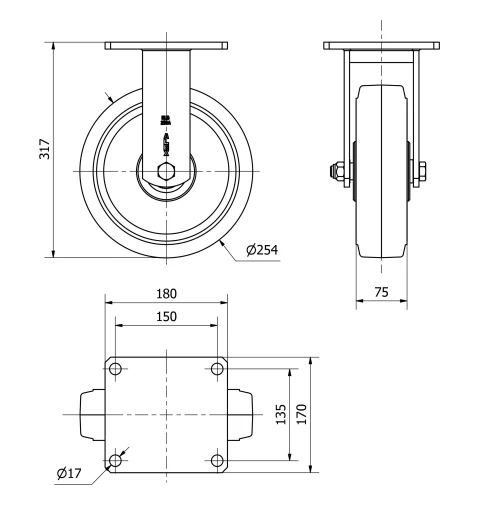
Datos técnicos 2-3565

EAN:
8422202235653
Tipo Soporte:
Fijo
Tipo Fijación:
Platina
Tipo Freno:
Sin Freno
Material:
Goma
Cojinete:
Bolas
Diámetro (mm):
250
Ancho de banda (mm):
75
Medidas de la placa (mm):
180x170
Distancia entre agujeros (mm):
150x135
Diámetro agujero (mm):
16
Altura total (mm):
315
Capacidad de carga (kg):
750
Peso Unitario de la rueda (kg):
14,18
Volumen (cm3):
13388
Diámetro Atributo:
A
Datos técnicos 2-3565

Área Privada

Regístrate
Descargar en formatos 3D
Descargar en formatos 2D
DWG
Descargar PDF
PDF
Precio
--

Productos Similares

Contactar

Contacta con nosotros

Envíenos el siguiente formulario y nos pondremos en contacto con usted para atender su consulta.

Información de contacto:
Email: info@alex.es
Teléfono: (+34) 974 035 345
Horario:
Lunes a Viernes: 8-14h / 15-18h
Sábado y domingo: Cerrado
Responsable: Ruedas Alex, S.L.U, siendo la Finalidad: gestionar el contacto entre cualquier interesado y nuestros servicios de atención. La Legitimación: es gracias a tu consentimiento. Destinatarios: no se comunicarán los datos personales a ningún tercero. Podrás efercer Tus Derechos de Acceso, Rectificación, Supresión, Limitación, Oposición y Portabilidad en rgpd@alex.es. Para más información consulte la Política de Privacidad.

Manténgase informado de todas las novedades, ofertas y promociones que tenemos preparadas para usted.