Fabricantes desde 1958
Ruedas Alex

SERIE HLB-DE 2-3352

Ver Comparativa
Rueda industrial giratoria bloqueo alta carga goma Alex
Código: 2-3352

Ruedas connúcleo de aluminio y banda de goma negra elástica con una dureza 70˚ shore A. Especialmente indicada para soportar altas cargas hasta 500 Kg.

Es utilizada en carroceros, logística interna, útiles de transporte, plataformas elevadoras, carros de transporte, logística material misiones, maquinaria pesada, grúas móviles, polideportivos, barredoras, pulidoras.

DE: ideal en el traslado manual de cargas medianas y desplazamiento silencioso. Absorción de golpes y vibraciones. Máxima protección de los suelos y del equipo. Ideal para suelos irregulares.

Componentes

Soporte

Fabricada con acero soldado hasta 8 m/m de espesor. Acabado pintado negro. Combinación de cojinetes de bolas y conicos en el soporte: el superior para esfuerzos axiales, y el inferior para esfuerzos radiales. Engrasadores en el cabezal del soporte y en la rueda. Fabricadas según normas europeas EN 12532/12533.

Aro

Núcleo de aluminio y banda de goma elástica(70º Shore A)

Rango de temperatura: -20º ÷ +70º

Facilidad de desplazamiento Satisfactorio
Ruido durante la marcha Excelente
Protección del suelo Excelente

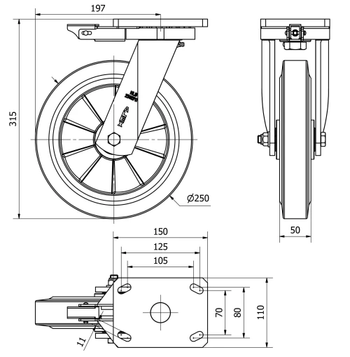
Datos técnicos 2-3352

EAN:
8422202233529
Tipo Soporte:
Giratorio
Tipo Fijación:
Platina
Tipo Freno:
Bloqueo direccional
Material:
Goma
Dureza del bandaje:
70º SHORE A
Cojinete:
Bolas
Diámetro (mm):
250
Ancho de banda (mm):
50
Medidas de la placa (mm):
150x110
Distancia entre agujeros (mm):
105x80
Diámetro agujero (mm):
10
Radio de giro (mm):
197
Altura total (mm):
315
Capacidad de carga (kg):
500
Peso Unitario de la rueda (kg):
6,48
Volumen (cm3):
9425
Diámetro Atributo:
E
Datos técnicos 2-3352

Área Privada

Regístrate
Descargar en formatos 3D
Descargar en formatos 2D
DWG
Descargar PDF
PDF
Precio
--

Productos Similares

Contactar

Contacta con nosotros

Envíenos el siguiente formulario y nos pondremos en contacto con usted para atender su consulta.

Información de contacto:
Email: info@alex.es
Teléfono: (+34) 974 035 345
Horario:
Lunes a Viernes: 8-14h / 15-18h
Sábado y domingo: Cerrado
Responsable: Ruedas Alex, S.L.U, siendo la Finalidad: gestionar el contacto entre cualquier interesado y nuestros servicios de atención. La Legitimación: es gracias a tu consentimiento. Destinatarios: no se comunicarán los datos personales a ningún tercero. Podrás efercer Tus Derechos de Acceso, Rectificación, Supresión, Limitación, Oposición y Portabilidad en rgpd@alex.es. Para más información consulte la Política de Privacidad.

Manténgase informado de todas las novedades, ofertas y promociones que tenemos preparadas para usted.