Fabricantes desde 1958
Ruedas Alex

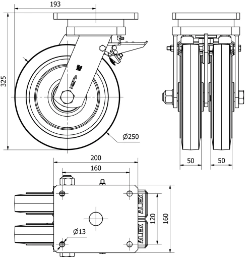
SERIE HLG-HG 2-3809

Ver Comparativa
Código: 2-3809

Rueda doble con núcleo de acero y banda de goma negra natura. Especialmente indicada para soportar altas cargas de hasta 1.400 Kg.

Es utilizada en, útiles de transporte logístico, gradas móviles, grúas que transportan materiales pesados así como plataformas elevadoras. Principalmente en el sector aeronáutico, ferroviario y automoción.

HG: Ruedas apropiadas para tracción mecánica. Máxima protección de los suelos. Rodadura suave y silenciosa. (Carretillas elevadoras, remolques etc…). Industria en general.

Componentes

Soporte

Fabricada con acero soldado desde 8 m/m hasta 19 m/m de espesor. Acabado pintado negro. Combinación de cojinetes de bolas y conicos en el soporte: el superior para esfuerzos axiales, y el inferior para esfuerzos radiales. Cabezal giratorio hermético, con engrasadores en el cabezal del soporte y en la rueda. Fabricadas según normas europeas EN 12532/12533.

Aro

Núcleo de acero y banda de goma con engrasador.

Facilidad de desplazamiento Satisfactorio
Ruido durante la marcha Excelente
Protección del suelo Excelente

Datos técnicos 2-3809

EAN:
8422202238098
Tipo Soporte:
Giratorio
Tipo Fijación:
Platina
Tipo Freno:
Freno Rueda y Soporte
Material:
Goma
Cojinete:
Bolas
Diámetro (mm):
250
Ancho de banda (mm):
50x2
Medidas de la placa (mm):
200x160
Distancia entre agujeros (mm):
160x120
Diámetro agujero (mm):
12
Radio de giro (mm):
193
Altura total (mm):
325
Capacidad de carga (kg):
1400
Peso Unitario de la rueda (kg):
22,05
Volumen (cm3):
15236
Datos técnicos 2-3809

Área Privada

Regístrate
Descargar en formatos 3D
Descargar en formatos 2D
DWG
Descargar PDF
PDF
Precio
--

Productos Similares

Contactar

Contacta con nosotros

Envíenos el siguiente formulario y nos pondremos en contacto con usted para atender su consulta.

Información de contacto:
Email: info@alex.es
Teléfono: (+34) 974 035 345
Horario:
Lunes a Viernes: 8-14h / 15-18h
Sábado y domingo: Cerrado
Responsable: Ruedas Alex, S.L.U, siendo la Finalidad: gestionar el contacto entre cualquier interesado y nuestros servicios de atención. La Legitimación: es gracias a tu consentimiento. Destinatarios: no se comunicarán los datos personales a ningún tercero. Podrás efercer Tus Derechos de Acceso, Rectificación, Supresión, Limitación, Oposición y Portabilidad en rgpd@alex.es. Para más información consulte la Política de Privacidad.

Manténgase informado de todas las novedades, ofertas y promociones que tenemos preparadas para usted.