Fabricantes desde 1958
Ruedas Alex

SERIE ZLI INOX-POL 2-3101

Ver Comparativa
Rueda de acero inoxidable alimentación carros hostelería alta y media carga agujero poliuretano inyectado Alex
Código: 2-3101

Ruedas de poliuretano inyectado con todos sus componentes de acero inoxidable (AISI 304). Especialmente indicada para soportar cargas hasta 300 Kg.

Se aplica en áreas de exteriores, carros de transporte alimentación, cantinas, comedor, restaurantes, factorías de alimentación, cintas transportadoras, maquinas ligeras para la construcción, granjas avícolas, mataderos, cárnicas, lácteas, químicas. Su uso es aplicable en proyectos de ingeniería mecánica por delineantes y proyectistas.

POL: Gran duración sin desgaste. Alta resistencia a los aceites y grasas. Silenciosas, limpias e indeformables.

Componentes

Soporte

Fabricada con chapa de acero inoxidable (AISI 304)hasta 2,5 m/m de espesor. Todos los componentes son de acero inoxidable. Fabricadas según normas europeas EN 12530

Aro

Núcleo de poliamix y banda de poliuretano marrón(90º shore A)

Rango de temperatura: -25º ÷ +80º

Facilidad de desplazamiento Muy bueno
Ruido durante la marcha Muy bueno
Protección del suelo Muy bueno

Datos técnicos 2-3101

EAN:
8422202231013
Tipo Soporte:
Giratorio
Tipo Fijación:
Agujero pasante
Tipo Freno:
Sin Freno
Material:
Poliuretano
Dureza del bandaje:
95º SHORE A
Cojinete:
Liso
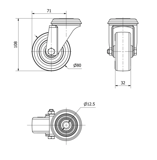
Diámetro (mm):
80
Ancho de banda (mm):
32
Diámetro agujero (mm):
12
Radio de giro (mm):
71
Altura total (mm):
108
Capacidad de carga (kg):
100
Peso Unitario de la rueda (kg):
0,31
Volumen (cm3):
712
Datos técnicos 2-3101

Área Privada

Regístrate
Descargar en formatos 3D
Descargar en formatos 2D
DWG
Descargar PDF
PDF
Precio
--

Productos Similares

Contactar

Contacta con nosotros

Envíenos el siguiente formulario y nos pondremos en contacto con usted para atender su consulta.

Información de contacto:
Email: info@alex.es
Teléfono: (+34) 974 035 345
Horario:
Lunes a Viernes: 8-14h / 15-18h
Sábado y domingo: Cerrado
Responsable: Ruedas Alex, S.L.U, siendo la Finalidad: gestionar el contacto entre cualquier interesado y nuestros servicios de atención. La Legitimación: es gracias a tu consentimiento. Destinatarios: no se comunicarán los datos personales a ningún tercero. Podrás efercer Tus Derechos de Acceso, Rectificación, Supresión, Limitación, Oposición y Portabilidad en rgpd@alex.es. Para más información consulte la Política de Privacidad.

Manténgase informado de todas las novedades, ofertas y promociones que tenemos preparadas para usted.