Fabricantes desde 1958
Ruedas Alex

SERIE BHI INOX-PGI 2-3044

Ver Comparativa
Rueda de acero inoxidable alta y media carga giratoria con freno goma gris inyectada Alex
Código: 2-3044

Ruedas de goma gris inyectada, con todos sus componentes de acero inoxidable (AISI 304). Especialmente indicada para soportar cargas hasta 60 Kg.

Se aplica en áreas de exteriores, carros de transporte alimentación, expositores, carros de hostelería, restaurantes, maquinas embalajes, cintas transportadoras. Su uso es aplicable en proyectos de ingeniería mecánica por delineantes y proyectistas.

PGI: No ralla el suelo. Silenciosa y no deja huella.

Componentes

Soporte

Fabricada con chapa de acero inoxidable (AISI 304) hasta 2 m/m de espesor. Soporte con doble rodamiento a bolas. Todos los componentes son de acero inoxidable. Resistente a la corrosión, grasas, aceites y gasolina. Fabricadas según normas europeas EN 12528/12530.

Aro

Núcleo de poliamix y banda de goma gris

Rango de temperatura: -20º ÷ +60º

Facilidad de desplazamiento Bueno
Ruido durante la marcha Muy bueno
Protección del suelo Muy bueno

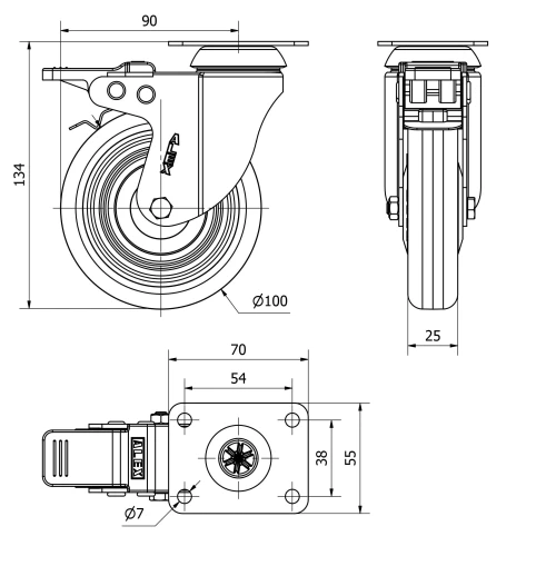
Datos técnicos 2-3044

EAN:
8422202230443
Tipo Soporte:
Giratorio
Tipo Fijación:
Platina
Tipo Freno:
Freno Rueda y Soporte
Material:
Goma
Cojinete:
Liso
Diámetro (mm):
100
Ancho de banda (mm):
25
Medidas de la placa (mm):
70x55
Distancia entre agujeros (mm):
54x38
Diámetro agujero (mm):
6
Radio de giro (mm):
90
Altura total (mm):
134
Capacidad de carga (kg):
70
Peso Unitario de la rueda (kg):
0,58
Volumen (cm3):
988
Datos técnicos 2-3044

Área Privada

Regístrate
Descargar en formatos 3D
Descargar en formatos 2D
DWG
Descargar PDF
PDF
Precio
--

Productos Similares

Contactar

Contacta con nosotros

Envíenos el siguiente formulario y nos pondremos en contacto con usted para atender su consulta.

Información de contacto:
Email: info@alex.es
Teléfono: (+34) 974 035 345
Horario:
Lunes a Viernes: 8-14h / 15-18h
Sábado y domingo: Cerrado
Responsable: Ruedas Alex, S.L.U, siendo la Finalidad: gestionar el contacto entre cualquier interesado y nuestros servicios de atención. La Legitimación: es gracias a tu consentimiento. Destinatarios: no se comunicarán los datos personales a ningún tercero. Podrás efercer Tus Derechos de Acceso, Rectificación, Supresión, Limitación, Oposición y Portabilidad en rgpd@alex.es. Para más información consulte la Política de Privacidad.

Manténgase informado de todas las novedades, ofertas y promociones que tenemos preparadas para usted.