En Ruedas Alex, queremos presentaros nuestra última innovación, diseñada específicamente para una empresa relevante en el sector aeronáutico. Nuestra solución cumple con requisitos técnicos para mejorar el rendimiento óptimo en condiciones exigentes.

El reto consistía en crear una rueda compacta, silenciosa y respetuosas con el suelo, con una horquilla resistente a velocidades elevadas y capaz de rodar en asfalto rugoso. Además, se requería que la rueda ofreciera estabilidad y seguridad mientras el equipo permaneciese estático.

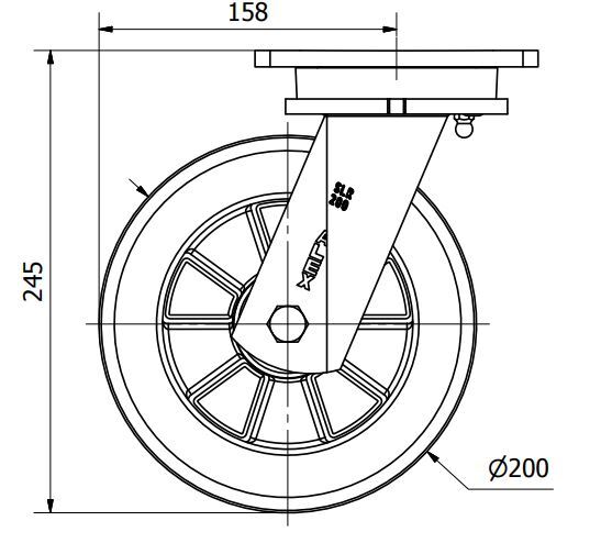
Para cumplir con estas especificaciones, recurrimos a nuestra SERIE SLR200-AUSB200: una rueda de poliuretano fundido con núcleo de aluminio, que tiene la capacidad de soportar una velocidad de hasta 18Km/h y está equipada con una horquilla de doble cojinete que asegura resistencia a cargas laterales y giros.

SLR200-AUSB200

El resultado ha sido un éxito rotundo, y ha permitido a nuestro cliente utilizar unas gradas móviles versátiles para todo tipo de mantenimiento de aviones.

Desde Ruedas Alex, seguimos comprometidos con la innovación y la excelencia, ofreciendo soluciones que marcan la diferencia en sectores tan exigentes como el aeronáutico.